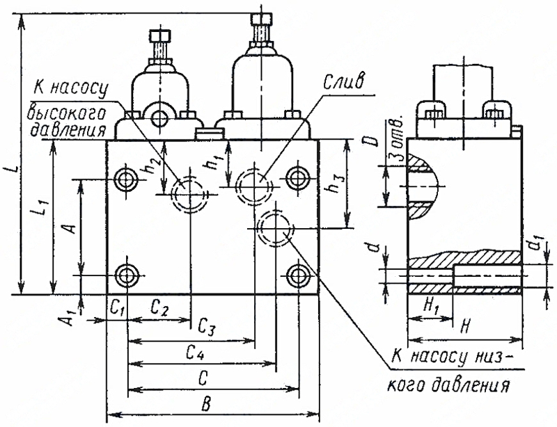
Характеристики Г 53-34
| Условный проход, мм: | 20 |
| Номинальный расход рабочей жидкости, л/мин: | 80 |
| Номинальное давление, МПа: | 0 |
| Минимальное давление настройки, МПа: | 0,6-6,3 |
| Максимальное давление настройки, МПа: | 1,6-10 |
| d, мм: | 13 |
| d1, мм: | 20 |
| L, мм: | 218 |
| L1, мм | 110 |
| A, мм | 58 |
| A1, мм | 15 |
| B, мм | 175 |
| H, мм | 100 |
| H1, мм | 50 |
| h1, мм | 37 |
| h2, мм | 41 |
| h3, мм | 62,5 |
| C, мм | 145 |
| C1, мм | 15 |
| C2, мм | 36 |
| C3, мм | 91 |
| C4, мм | 137 |
| D, мм | К3/4 |
| Вес, кг | 12.9 |







