ГАРАНТИИ ПРОИЗВОДИТЕЛЕЙ Доставка до ТК - бесплатно! Подбор гидрораспределителя - бесплатно!
МПГ 55-22 Регулятор расхода гидравлический МПГ55 22, МПГ55 22М купить в ГидроМаш в Челябинске с гарантией производителя. Технические характеристики, цены. Доставка до ТК - бесплатно. МПГ 55-22 МПГ 55-22
Поделиться:

МПГ 55-22

Регулятор расхода МПГ55-22 используется в гидросистемах, в которых необходимо поддержание заданной скорости перемещения рабочих органов станков и прочих машин, работающих в стационарном режиме независимо от нагрузки.

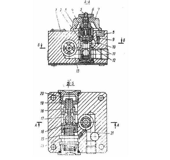
В состав регуляторов расхода обычной прочности, модернизированных МПГ55 22 М входят:

корпус (1), втулка (2), втулка-дроссель (3), гайки (4,6), регулировочный винт (5), лимб (7), указатель оборотов (8), шарик (9), пружины (10,11,12,15), отверстие отвода (12), отверстия (13,17,18), полости (14,16,20), золотник (10), заглушка (21), гидродроссель и редукционный клапан, поддерживающий постоянный перепад давления в дросселирующей щели.

Благодаря этому расход рабочей жидкости, которая проходит через гидродроссель, не зависит от давления на входе и на выходе.

Гидрорегуляторы потока МПГ 55-22 предназначены для работы на минеральных маслах, тонкость фильтрации которых составляет 25мкм, вязкость от 10 до 200 сСт при температуре масла в пределах от +10 до +70°С и температуре окружающей среды в пределах от +1 до +40°С.

МПГ55 2 выпускаются на номинальное давление 20 и 32 Мпа.

Регуляторы расхода МГ 55-2 в зависимости от номинального расхода рабочей жидкости бывают трех видов:

  • с условным проходом 10мм МПГ 55-22;
  • с условным проходом 16мм МПГ 55-24;
  • с условным проходом 20мм МПГ 55-25.
Цену уточняйте по номеру телефона
+7 (351) 200-22-88 или оставьте ваши контакты и мы вам перезвоним


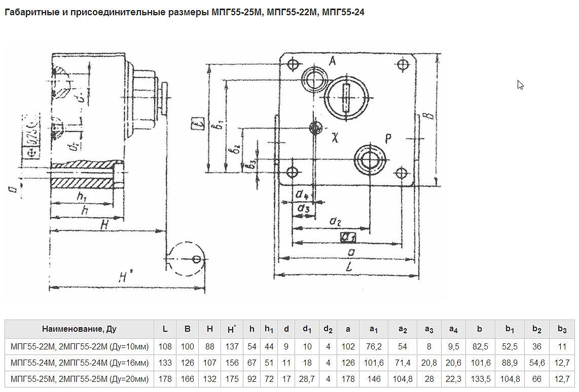
Параметры гидравлических регуляторов потока МПГ55-22

Обозначение Ду, мм Расход рабочей жидкости ном./мин./макс., л/мин Давление на входе ном./мин./макс., МПа Макс. давление на выходе, МПа Перепад давления на дросселе регулятора расхода не менее, МПа Расход утечек масла через полностью закрытый дроссель не более, см³/мин Допустимое отклонение установленного расхода не более, % Масса не более, кг
МПГ55-22(М) 10 25 / 0,04 / 32 20 / 0,5 / 21,5 20 0,15 - 0,25 30 ± 5 4,0
2МПГ 55-22(М)
МПГ55-24М 16 100 / 0,09 / 120 70 7,5
2МПГ55-24(М)
МПГ 55-25М 20 200 / 0,15 / 240 120 15,5
2МПГ55-25(М)

 

 

На ваши вопросы ответит онлайн-консультант. Цену можно уточнить по тел. +7 (351) 200-22-88, электронной почте 82002288@mail.ru.

Звоните! Товар в наличии. Доставка до ТК Челябинска бесплатно!

 

Остались вопросы? Напишите нам!

Пожалуйста, заполните поля формы,
чтобы наши специалисты могли
связаться с вами

Оставить заявку
Используя данный сайт, Вы соглашаетесь с условиями пользовательского соглашения и даёте разрешение на использование файлов куки(cookies).