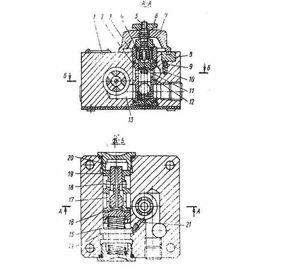
Гидрорегуляторы потока МБПГ55-25 предназначены для работы на минеральных маслах, тонкость фильтрации которых составляет 25мкм, вязкость от 10 до 200 сСт при температуре масла в пределах от +10 до +70°С и температуре окружающей среды в пределах от +1 до +40°С.
Регуляторы расхода МПГ 55-2 выпускаются на номинальное давление 20 и 32 Мпа.
В зависимости от номинального расхода рабочей жидкости бывают трех видов:
- с условным проходом 10мм МПГ 55-22;
- с условным проходом 16мм МПГ 55-24;
- с условным проходом 20мм МПГ 55-25.
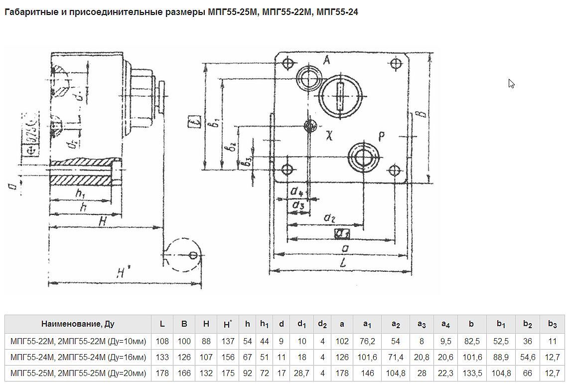
Параметры гидравлических регуляторов потока МПГ55-25
| Обозначение | Ду, мм | Расход рабочей жидкости ном./мин./макс., л/мин | Давление на входе ном./мин./макс., МПа | Макс. давление на выходе, МПа | Перепад давления на дросселе регулятора расхода не менее, МПа | Расход утечек масла через полностью закрытый дроссель не более, см³/мин | Допустимое отклонение установленного расхода не более, % | Масса не более, кг |
|---|---|---|---|---|---|---|---|---|
| МПГ55-22(М) | 10 | 25 / 0,04 / 32 | 20 / 0,5 / 21,5 | 20 | 0,15 - 0,25 | 30 | ± 5 | 4,0 |
| 2МПГ 55-22(М) | ||||||||
| МПГ55-24М | 16 | 100 / 0,09 / 120 | 70 | 7,5 | ||||
| 2МПГ55-24(М) | ||||||||
| МПГ 55-25М | 20 | 200 / 0,15 / 240 | 120 | 15,5 | ||||
| 2МПГ55-25(М) |







