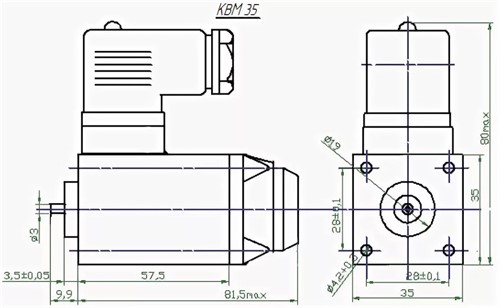
Электромагнит ПЭ35: технические характеристики
| Параметр электромагнита | Значение | |||
| Постоянный ток (24, 48, 110 В) | Переменный ток (24, 110 В) | Переменный ток (220, 380 В) | ||
| Тяговое усилие при ном. токе якоря не менее *, Н | 30 | 25 | ||
| Потребляемая активная мощность не более, Вт | 35 | |||
| Допустимое отклонение питающего напряжения от номинала не более | ±10% | |||
| Ном. ход якоря, мм | 2,5 +0,1 | |||
| Полный ход якоря, мм | 6,0 +0,6 | |||
| Продолжительность включения питания, ПВ, % | 100 | |||
| Время срабатывания не более, с | 0,04 | |||
| вес, кг | 0,48 | |||







