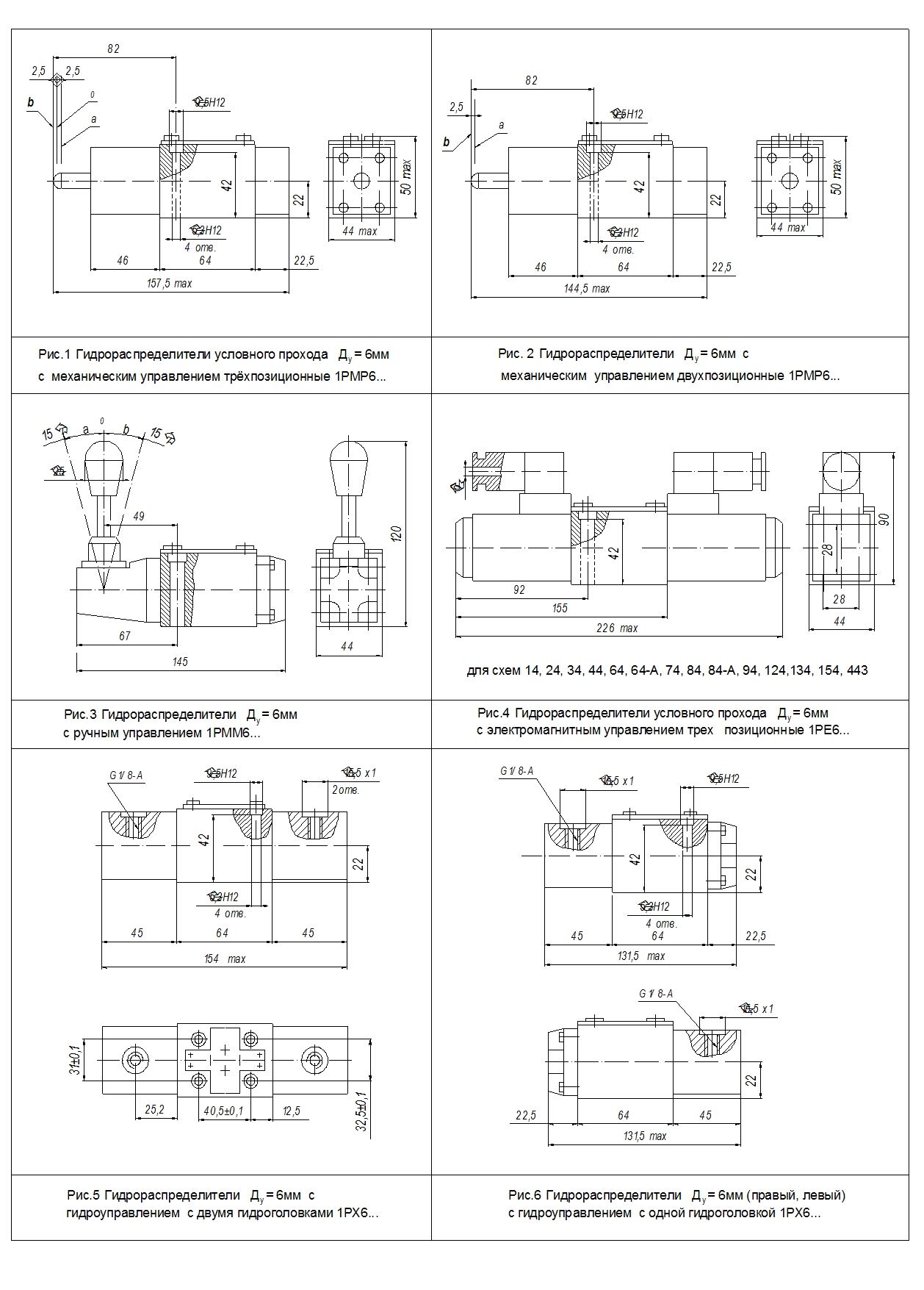
| Схема распределения | 94 | 
| Условный проход, мм | 10 | 
| Расход рабочей жидкости, л/мин | 25-40 | 
| Номинальное давление на входе, МПа | 32 | 
| Max давление на выходе, МПа | 15 | 
| Max давление управления, МПа | 0,8-6,0 | 
| Масса не более, кг | 6,45 | 
Цену уточняйте у консультанта онлайн по тел. +7 (351) 200-22-88. Продукция в наличии. Звоните!
                                
    
    
    






