Технические характеристики одностороннего гидрозамка Т2 КУ 12/320
| Параметр | значение |
| Диаметр, Ду | 12 |
| Давление, Мпа |
32 |
| Ном. расход, л/мин | 40 |
| Вес, кг | 2,6 |
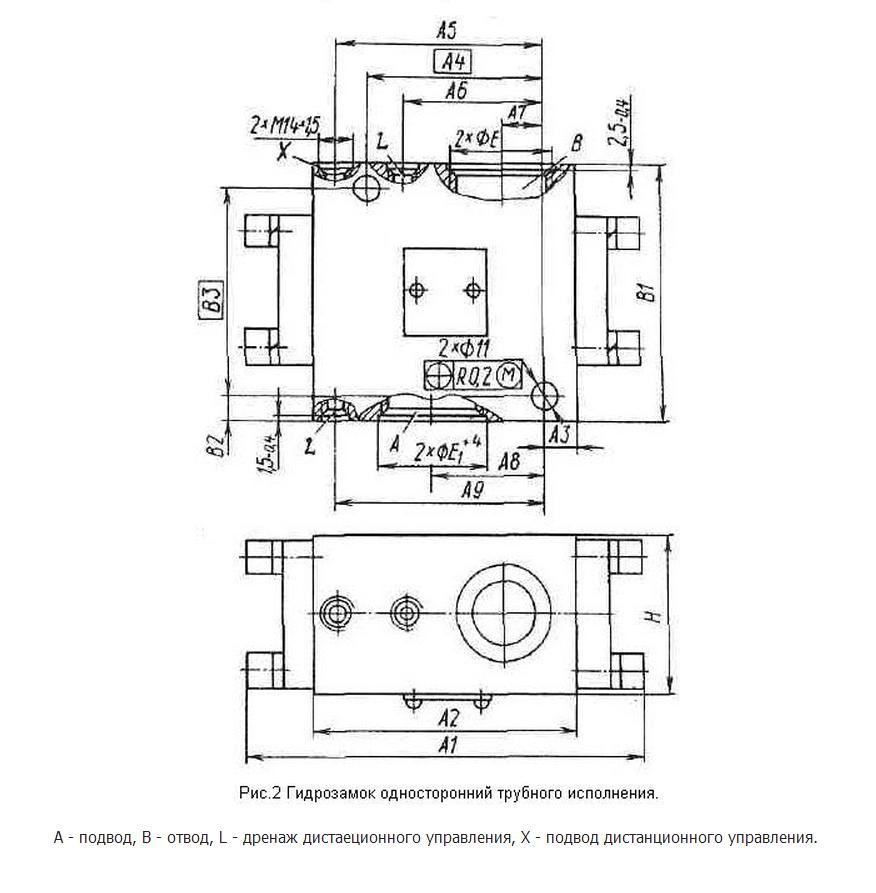
Гидрозамки Т2 КУ 12/320 используются для свободного пропускания масла в одном (прямом) направлении. Проход масла в другом направлении вероятен только после вынужденного открывания запорного элемента.
| Параметр | значение |
| Диаметр, Ду | 12 |
| Давление, Мпа |
32 |
| Ном. расход, л/мин | 40 |
| Вес, кг | 2,6 |
Остались вопросы? Напишите нам!
Пожалуйста, заполните поля формы,
чтобы наши специалисты могли
связаться с вами
Пожалуйста, заполните поля формы,
чтобы наши специалисты могли
связаться с вами
Остались вопросы? Напишите нам!
Пожалуйста, заполните поля формы,
чтобы наши специалисты могли
связаться с вами







