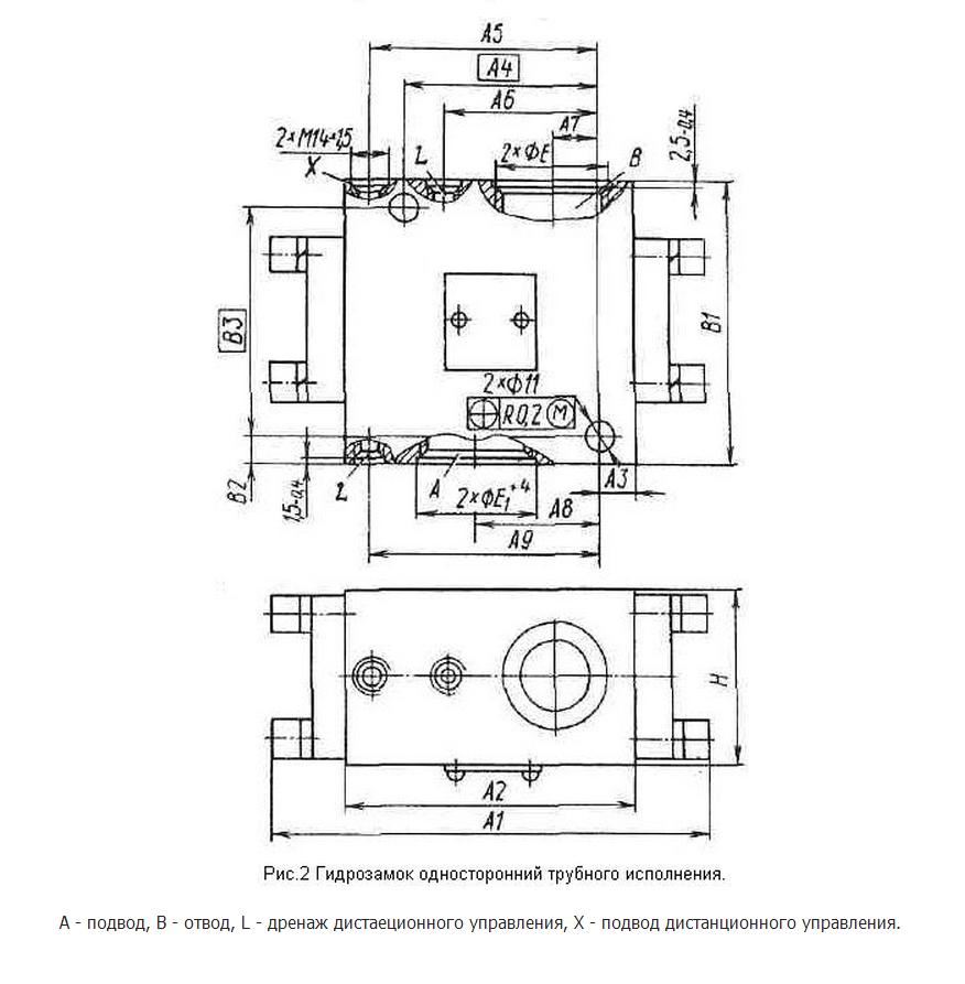
Гидрозамок односторонний T(M)..КУ.., Ф..КУ Техническая информация
| Типоразмер | Ду, мм | Присое-динение | Давление нагнетан., МПа, Ном./Макс. | Давление управлен., МПа, Мин./Макс. | Расход жидкости, л/мин | Характеристика | Масса, кг |
| М-1КУ12/320 | 12 | Стыков. | 32/35 | 3,2/32,0 | 40 | Доп. разгрузочный клапан и отдельный дренаж системы управления | 2,6 |
| М-2КУ12/320 | 12,0/32,0 | Без доп. разгрузочного клапана и отдельной дренажной системы управления | |||||
| М-3КУ12/320 | 3,2/32,0 | Доп. разгрузочный клапан и общий дренаж | |||||
| М-4КУ12/320 | 12,0/32,0 | Без доп. разгрузочного клапана и общий дренаж | |||||
| М-1КУ20/320 | 20 | Стыков. | 32/35 | 3,2/32,0 | 100 | Доп. разгрузочный клапан и отдельный дренаж системы управления | 3,9 |
| М-2КУ20/320 | 12,0/32,0 | Без доп. разгрузочного клапана и отдельной дренажной системы управления | |||||
| М-3КУ20/320 | 3,2/32,0 | Доп. разгрузочный клапан и общий дренаж | |||||
| М-4КУ20/320 | 12,0/32,0 | Без доп. разгрузочного клапана и общий дренаж | |||||
| М-1КУ32/320 | 32 | Стыков. | 32/35 | 3,2/32,0 | 250 | Доп. разгрузочный клапан и отдельный дренаж системы управления | 8,9 |
| М-2КУ32/320 | 12,0/32,0 | Без доп. разгрузочного клапана и отдельной дренажной системы управления | |||||
| М-3КУ32/320 | 3,2/32,0 | Доп. разгрузочный клапан и общий дренаж | |||||
| М-4КУ32/320 | 12,0/32,0 | Без доп. разгрузочного клапана и общий дренаж | |||||
| Т-1КУ12/320 | 12 | М22х1,5 | 32/35 | 3,2/32,0 | 40 | Доп. разгрузочный клапан и отдельный дренаж системы управления | 2,6 |
| Т-2КУ12/320 | 12,0/32,0 | Без доп. разгрузочного клапана и отдельной дренажной системы управления | |||||
| Т-3КУ12/320 | 3,2/32,0 | Доп. разгрузочный клапан и общий дренаж | |||||
| Т-4КУ12/320 | 12,0/32,0 | Без доп. разгрузочного клапана и общий дренаж | |||||
| Т-1КУ20/320 | 20 | М33х2 | 32/35 | 3,2/32,0 | 100 | Доп. разгрузочный клапан и отдельный дренаж системы управления | 3,9 |
| Т-2КУ20/320 | 12,0/32,0 | Без доп. разгрузочного клапана и отдельной дренажной системы управления | |||||
| Т-3КУ20/320 | 3,2/32,0 | Доп. разгрузочный клапан и общий дренаж | |||||
| Т-4КУ20/320 | 12,0/32,0 | Без доп. разгрузочного клапана и общий дренаж | |||||
| Т-1КУ32/320 | 32 | М48х2 | 32/35 | 3,2/32,0 | 250 | Доп. разгрузочный клапан и отдельный дренаж системы управления | 8,9 |
| Т-2КУ32/320 | 12,0/32,0 | Без доп. разгрузочного клапана и отдельной дренажной системы управления | |||||
| Т-3КУ32/320 | 3,2/32,0 | Доп. разгрузочный клапан и общий дренаж | |||||
| Т-4КУ32/320 | 12,0/32,0 | Без доп. разгрузочного клапана и общий дренаж | |||||
| Ф-1КУ50/320 | 50 | Фланцев. | 32/35 | 0,5/32,0 | 630 | Доп. разгрузочный клапан и отдельный дренаж системы управления | 38,5 |
| Ф-1КУ80/320 | 80 | 1600 | Без доп. разгрузочного клапана и отдельной дренажной системы управления | 99 | |||
| Ф-3КУ50/320 | 50 | 630 | Доп. разгрузочный клапан и общий дренаж | 38,5 | |||
| Ф-3КУ80/320 | 80 | 1600 | Без доп. разгрузочного клапана и общий дренаж | 99 |
Клапан управляемый обратный (гидрозамок) КУ
Получите консультацию у специалиста через форму обращений на странице сайта или по No +7 (351) 200-22-88.







