ГАРАНТИИ ПРОИЗВОДИТЕЛЕЙ Доставка до ТК - бесплатно! Подбор гидрораспределителя - бесплатно!
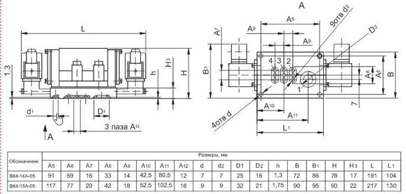
В64-14А-05  В64-14А-05  В64-14А-05
Поделиться:

В64-14А-05

Пневмораспределители c двухсторонним электроуправлением В64-14А-05 стыковое присоединение

с двухсторонним электроуправлением и с ручным дублированием
стыковое присоединение к пневмолинии
двухпозиционный
сдвоенный
Пневмораспределители четырехлинейные типа В 64-14А-05 предназначены для изменения (перенаправления) потоков сжатого воздуха в пневмоприводах, расположенных в помещениях с искусственно регулируемыми климатическими условиями.

Цену уточняйте по номеру телефона
+7 (351) 200-22-88 или оставьте ваши контакты и мы вам перезвоним

Технические характеристики

Наименование характеристики Значение
 Распределитель с электропневматическим управлением 
Условный проход 16 (стык)
Номинальное давление 0,63 МПа
Пропускная способность Kv по ГОСТ 14691-69 не менее 2,8 м3/ч
Номинальное напряжение питания постоянного тока 12, 24, 48, 110В
Управление двухстороннее
Способ присоединения пневмолиний стыковое присоединение, трубы вниз
Золотник плоский притёртый

 

Пневмораспределитель цена и характеристика

Раздел пневмораспределители В64 включает цены пневмораспределителей и характеристику пневматического оборудования:

пневмораспределитель В64-14А-05,
пневмораспределитель В64-15А-05,
пневмораспределитель В64-25А-05,
пневмораспределитель В64-34А-05,
пневмораспределитель В64-13А-03,
пневмораспределитель В64-14А-03,
пневмораспределитель В64-15А-03,
пневмораспределитель В64-23А-03,
пневмораспределитель В64-24А-03,
пневмораспределитель В64-25А-03,
пневмораспределитель В64-33А-03,
пневмораспределитель В64-34А-03.

Остались вопросы? Напишите нам!

Пожалуйста, заполните поля формы,
чтобы наши специалисты могли
связаться с вами

Оставить заявку
Используя данный сайт, Вы соглашаетесь с условиями пользовательского соглашения и даёте разрешение на использование файлов куки(cookies).