ГАРАНТИИ ПРОИЗВОДИТЕЛЕЙ Доставка до ТК - бесплатно! Подбор гидрораспределителя - бесплатно!
В64-15А-05 В64-15А-05 В64-15А-05
Поделиться:

В64-15А-05

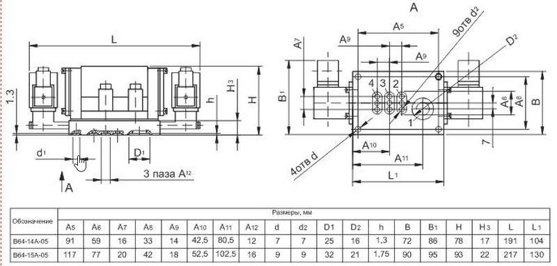
Пневмораспределители c двухсторонним электроуправлением В64-15А-05 стыковое присоединение

с двухсторонним электроуправлением и с ручным дублированием
стыковое присоединение к пневмолинии
двухпозиционный
сдвоенный
с пневматической блокировкой и пружинным возвратом
Пневмораспределители четырехлинейные типа В 64-15А-05 предназначены для изменения (перенаправления) потоков сжатого воздуха в пневмоприводах, расположенных в помещениях с искусственно регулируемыми климатическими условиями.

Конструкция распределительного устройства: плоский притёртый золотник.

Цену уточняйте по номеру телефона
+7 (351) 200-22-88 или оставьте ваши контакты и мы вам перезвоним

Технические характеристики

Наименование характеристики Значение
 Распределитель с электропневматическим управлением 
Условный проход 20 (стык)
Номинальное давление 0,63 МПа
Пропускная способность Kv по ГОСТ 14691-69 не менее 2,8 м3/ч
Номинальное напряжение питания постоянного тока 12, 24, 48, 110В
Управление двухстороннее
Способ присоединения пневмолиний стыковое присоединение, трубы вниз
Золотник плоский притёртый

Пневмораспределитель В64-15А-05 работает на очищенном до 10 класса по ГОСТ 17433-80 сжатом воздухе с масляной взвесью.

Пневмораспределители В64-15А-05 монтируются на плиту специального исполнения, с выполненными в ней рабочими каналами. Крепятся к плите четырьмя болтами, отверстия для которых расположены по углам корпуса распределителя.

Герметичность рабочих каналов достигается использованием специальных резиновых уплотнительных колец вложенных в цекованные отверстия в плите.

Пневмораспределитель цена и характеристика

Раздел пневмораспределители В64 включает цены пневмораспределителей и характеристику пневматического оборудования:

пневмораспределитель В64-14А-05,
пневмораспределитель В64-15А-05,
пневмораспределитель В64-25А-05,
пневмораспределитель В64-34А-05,
пневмораспределитель В64-13А-03,
пневмораспределитель В64-14А-03,
пневмораспределитель В64-15А-03,
пневмораспределитель В64-23А-03,
пневмораспределитель В64-24А-03,
пневмораспределитель В64-25А-03,
пневмораспределитель В64-33А-03,
пневмораспределитель В64-34А-03.

Остались вопросы? Напишите нам!

Пожалуйста, заполните поля формы,
чтобы наши специалисты могли
связаться с вами

Оставить заявку
Используя данный сайт, Вы соглашаетесь с условиями пользовательского соглашения и даёте разрешение на использование файлов куки(cookies).