Технические характеристики
В завимости от завода-изготовителя данный тип пневмораспределителей может иметь маркировку У71-2..А (производство РФ) или 3МП.. (производство Украина).
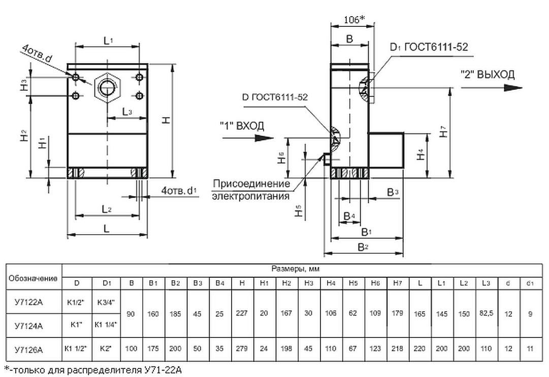
Пневмораспределители типа У71-22А относятся к группе трехлинейных сдвоенных пневмораспределителей с пневматической блокировкой, односторонним электропневматическим возвратом и ручным дублированным управлением.
Пневмораспределители типа У71-2..А применяют для управления кузнечно-прессовыми и другими машинами.
Пневмораспределители типа У71-2..А работают на сжатом воздухе давлением от 0,25 МПа до 1,0 МПа, очищенном не грубее 10 класса загрязненности по ГОСТ 17433, содержащего распыленное масло вязкостью 10…35 мм²/с (сСт) при температуре 50ºС с концентрацией из расчета 2…4 капли на 1 м³ воздуха, приведенного к условиям по ГОСТ 12449.
В завимости от завода-изготовителя данный тип пневмораспределителей может иметь маркировку У71-2..А (производство РФ) или 3МП.. (производство Украина).
Виброустойчивость и вибропрочность соответствуют III степени жесткости по ГОСТ 28988.
Пневмораспределители устанавливаются на обратную поверхность в любом пространственном положении и крепятся с помощью четырех винтов через отверстия в корпусе распределителя или в его основании.
Степень защиты пневмораспределителей У71-22а, У71-24а, У71-26а от воздействия окружающей среды и степень защиты персонала от соприкосновения к токоведущим частям IP20 по ГОСТ 14254-96.
Остались вопросы? Напишите нам!
Пожалуйста, заполните поля формы,
чтобы наши специалисты могли
связаться с вами
Пожалуйста, заполните поля формы,
чтобы наши специалисты могли
связаться с вами
Остались вопросы? Напишите нам!
Пожалуйста, заполните поля формы,
чтобы наши специалисты могли
связаться с вами







