Реле давления P-02 HOF: технические данные
| Наименование | Присоединительный размер | Диапазон регулировки (бар) | Напряжение (В) | Вес (кг) |
| P-02РL | 1/4" | 1 – 70 | DC 24V, AC 110-250V/3A | 0,9 |
| P-02РH | 1/4" | 10 – 400 | DC 24V, AC 110-250V/3A | 0,9 |
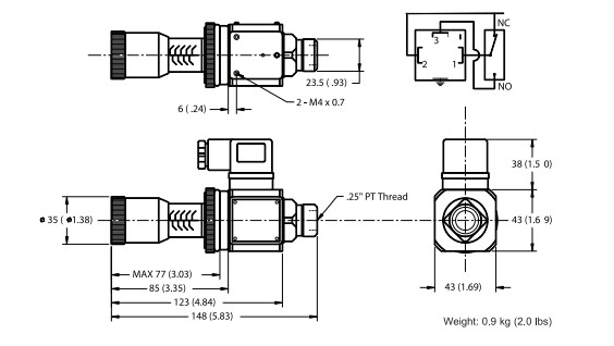
Реле давления P02: установочные размеры
в мм, дюймах








