Назначение
Востребован в оборудовании для металлорезки, кузнечно - прессовом. Он повышает уровень чистоты поверхностной обработки деталей и позволяет многократно применять СОЖ и РЖ.
отфильтровывает взвешенные магнитные и немагнитные частицы.
для очищения сред:
кинематической вязкостью 1-75 мм²/с, t 10...50°С, t окр. воздуха 1...40°С.
В качестве РЖ фильтр сепаратор магнитный использует
Назначение
Востребован в оборудовании для металлорезки, кузнечно - прессовом. Он повышает уровень чистоты поверхностной обработки деталей и позволяет многократно применять СОЖ и РЖ.
| Параметры | Значения |
| Условный проход, мм | 50 |
| Размер задерживаемых частиц, мм | 0,02-1,0 |
| Размер, мм | не более 285×185×150 |
| Расход номинальный, л/мин | 100 |
| Давление номинальное, МПа | 0,63 |
| Давление max, МПа | 0,7 |

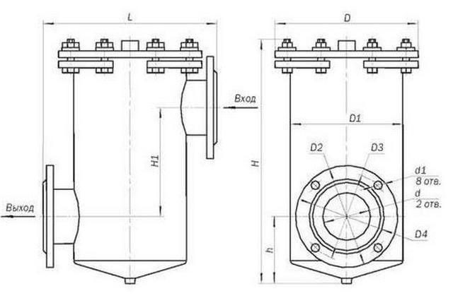
Габаритно-присоединительные параметры смотрите в фотогалерее.
Цену уточняйте у консультанта онлайн, по электронной почте 82002288@mail.ru или по тел. +7 (351) 200-22-88. Звоните!
Заказы отправляем через ТК из Челябинска по РФ и СНГ, до которой довезем бесплатно!
Остались вопросы? Напишите нам!
Пожалуйста, заполните поля формы,
чтобы наши специалисты могли
связаться с вами
Пожалуйста, заполните поля формы,
чтобы наши специалисты могли
связаться с вами
Остались вопросы? Напишите нам!
Пожалуйста, заполните поля формы,
чтобы наши специалисты могли
связаться с вами







