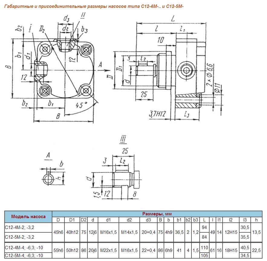
- Подача Q - 5,2 л/мин
- Давление - 0,25 Мпа
- Рабочий объем - 6,3 см
- Масса 1,14 кг
- Климатическое исполнение - для районов с умеренным и холодным климатом (УХЛ4).
| Наименование | Объем, см | Подача, л/мин | Давление, мПа | Вес, кг | 
| С12-41 | 2 | 1,5 | 0,25 | 1,6 | 
| С12-42 | 4 | 3,1 | 0,25 | 1,6 | 
| С12-43 | 6,3 | 5,2 | 0,25 | 1,6 | 
| С12-44 | 10 | 8,2 | 0,25 | 2,5 | 
| С12-51 | 2 | 1,6 | 0,25 | 1,14 | 
| С12-52 | 4 | 3,2 | 0,25 | 1,14 | 
| С12-53 | 6,3 | 5,2 | 0,25 | 1,14 | 
| С12-54 | 10 | 8,2 | 0,25 | 2,28 | 
Структура условного обозначения
| С12- | Х | М | -Х | УХЛ4 | 
| 1 | 2 | 3 | 4 | 5 | 
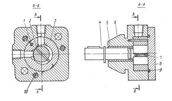
1 - тип насоса: для смазки пластинчатый
2 - направление вращения вала: 4-реверсивное; 5-правое
3 - М-модернизированный
4 - рабочий объем, см³ (2; 3,2; 4; 6,2; 10)
5 - климатическое исполнение - УХЛ и 4 категория размещения по ГОСТ 15150-69
 
                                 
                         
     
     
     
     
                                
							






