Технические характеристики 50НР 14
| Наименование характеристики | Значение |
| Производительность | 17 л/мин |
| Давление номинальное | 500 кгс/см2 |
| Габариты | Ф=246, L=260 мм |
| Масса | 23 кг |
Нерегулируемые насосы типа 50НР относятся к категории радиальго-поршневых насосов.
Эти насосы созданы специально для применения в общемашиностроительных целях в системах гидропривода. Насосы данного типа соответствуют стандартным требованиям ГОСТ 17411 и имеют постоянный по величине и давлению поток рабочей жидкости (например, минеральное масло).
Нерегулируемые насосы типа 50НР изготавливаются с одним или двумя специальными отводами, которые призваны обеспечить стабильное получение одного или двух потоков смазочной жидкости при номинальном давлении до 50 МПа.
Данная модель имеет возможность эксплуатироваться даже при погружении в минеральное масло или другую рабочую жидкость. При желании клиента возможна изготовка без функции погружения в жидкость.
| Наименование характеристики | Значение |
| Производительность | 17 л/мин |
| Давление номинальное | 500 кгс/см2 |
| Габариты | Ф=246, L=260 мм |
| Масса | 23 кг |
Радиально-поршневой насос типа 50НР имеет механизм для смены подачи жидкости и представлен в следующих видах:
Р - ручное, М - электромагнитное, С - следящее, Г - гидравлическое, 1Д - с регулятором давления, Д1 - с регулятором мощности.
Все это помогает бесперебойно подавать рабочую жидкость в гидросистему пакетировочных прессов и листогибов, а также широко применяется в доменном производстве и в горно-металлургической промышленности.
Также насосы пользуются популярностью в термопластавтоматах и других гидроприводных механизмах.
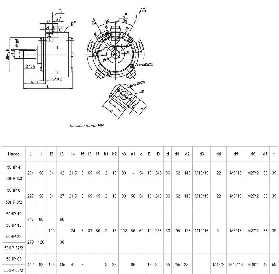
Используется фланцевое базовое исполнение.
Остались вопросы? Напишите нам!
Пожалуйста, заполните поля формы,
чтобы наши специалисты могли
связаться с вами
Пожалуйста, заполните поля формы,
чтобы наши специалисты могли
связаться с вами
Остались вопросы? Напишите нам!
Пожалуйста, заполните поля формы,
чтобы наши специалисты могли
связаться с вами







