ГАРАНТИИ ПРОИЗВОДИТЕЛЕЙ Доставка до ТК - бесплатно! Подбор гидрораспределителя - бесплатно!
50НР 6,3 Насос радиально-поршневой нерегулируемый 50НР 6,3 в наличии в ТД УралГидроМаш с гарантией производителя. Цены, характеристики. Доставка до ТК - бесплатно! 50НР 6,3 50НР 6,3
Поделиться:

50НР 6,3

Нерегулируемые насосы типа 50НР относятся к категории поршневых насосов.

Эти насосы созданы специально для применения в общемашиностроительных целях в системах гидропривода и соответствуют стандартным требованиям ГОСТ 17411 и имеют постоянный по величине и давлению поток рабочей жидкости (например, минеральное масло).

Нерегулируемые насосы типа 50НР изготавливаются с одним или двумя специальными отводами, которые призваны обеспечить стабильное получение одного или двух потоков смазочной жидкости при номинальном давлении до 50 МПа.

Данная модель имеет возможность эксплуатироваться даже при погружении в минеральное масло или другую рабочую жидкость. При желании клиента возможна изготовка насоса без функции погружения в жидкость.

 

Цену уточняйте по номеру телефона
+7 (351) 200-22-88 или оставьте ваши контакты и мы вам перезвоним

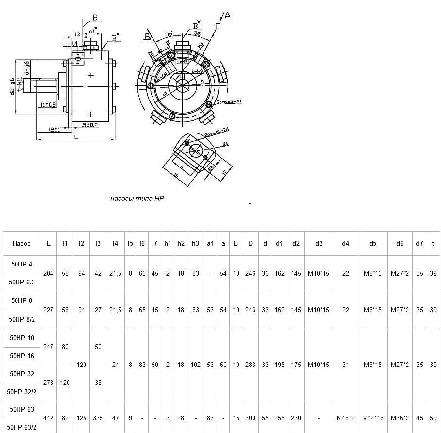
Технические характеристики 50НР 6,3

 
Наименование характеристики Значение
Количество отводов радиально-поршневого насоса 1
   
Номинальный рабочий объем, см3 радиально-поршневого насоса 6
Номинальный рабочий объем, см3 одного отвода радиально-поршневого насоса  
   
Частота вращения, с-1 (об/мин) номинальная 25(1500)
Частота вращения, с-1 (об/мин) максимальная 25(1500)
Частота вращения, с-1 (об/мин) минимальная 5(300)
   
Подача, л/мин радиально-поршневого насоса, номинальная 8,6
Подача, л/мин одного отвода насоса, номинальная  
   
Давление на выходе, Мпа номинальное 50
Давление на выходе, Мпа максимальное 63
   
Давление на входе, Мпа номинальное -0,02
Давление на входе, Мпа максимальное 0,05
Коэффициент подачи, не менее радиально-поршневого насоса, в том числе одного отвода 0,93
   
КПД, не менее насоса 0,92
КПД, не менее при работе одного отвода 0,84
Масса насоса (без рабочей жидкости), кг не более, исполнение фланцевое 19
   
Номинальная мощность, кВт насоса 7,7
Номинальная мощность, кВт при нагрузке на один отвод  
Холодоустойчивость, оС для исполнения УХЛ и 0 -50

Радиально-поршневой насос типа 50НР имеет механизм для смены подачи жидкости и представлен в следующих видах:

Р - ручное, М - электромагнитное, С - следящее, Г - гидравлическое, 1Д - с регулятором давления, Д1 - с регулятором мощности.

Все это помогает бесперебойно подавать рабочую жидкость в гидросистему пакетировочных прессов и листогибов, а также широко применяется в доменном производстве и в горно-металлургической промышленности.

Также насосы пользуются популярностью в термопластавтоматах и других гидроприводных механизмах.

В насосе используется фланцевое базовое исполнение.

Остались вопросы? Напишите нам!

Пожалуйста, заполните поля формы,
чтобы наши специалисты могли
связаться с вами

Оставить заявку
Подача насосов НПл однопоточных - от 5,3 до 110,4 л/мин. Следует отметить малую требовательность к вязкости жидкости в отсутствие высоких скоростей течения.
Подробнее
В НПл двухпоточных номинальная мощность насоса равна сумме мощностей однопоточных насосов. Заявленная производителем эффективность (КПД) 70 - 85%.
Подробнее
Схема, правила наименования пластинчатых насосов НПл НПл х(1)-х(2) / х(3) (Л) УХЛ(4)
Подробнее
Используя данный сайт, Вы соглашаетесь с условиями пользовательского соглашения и даёте разрешение на использование файлов куки(cookies).