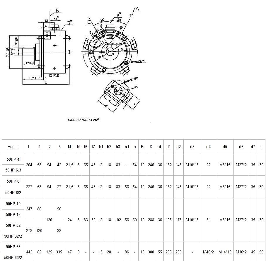
Технические характеристики 50НР 63/2
| Наименование характеристики | Значение |
| Количество отводов радиально-поршневого насоса | 2 |
| Номинальный рабочий объем, см3 радиально-поршневого насоса | |
| Номинальный рабочий объем, см3 одного отвода радиально-поршневого насоса | 63/2 |
| Частота вращения, с-1 (об/мин) номинальная | 25(1500) |
| Частота вращения, с-1 (об/мин) максимальная | 25(1500) |
| Частота вращения, с-1 (об/мин) минимальная | 5(300) |
| Подача, л/мин радиально-поршневого насоса, номинальная | 80 |
| Подача, л/мин одного отвода насоса, номинальная | 40 |
| Давление на выходе, Мпа номинальное | 50 |
| Давление на выходе, Мпа максимальное | 63 |
| Давление на входе, Мпа номинальное | -0,02 |
| Давление на входе, Мпа максимальное | 0,05 |
| Коэффициент подачи, не менее радиально-поршневого насоса, в том числе одного отвода | 0,91 |
| КПД, не менее насоса | 0,92 |
| КПД, не менее при работе одного отвода | 0,84 |
| Масса насоса (без рабочей жидкости), кг не более, исполнение фланцевое | 77 |
| Номинальная мощность, кВт насоса | 71 |
| Номинальная мощность, кВт при нагрузке на один отвод | 39 |
| Холодоустойчивость, оС для исполнения УХЛ и 0 | -50 |
Пожалуйста, уточняйте цену у консультанта он-лайн или по тел. +7-351-247-65-68 и +7-351-793-77-88. Продукция в наличии. Звоните!







