Насос радиально-поршневой нерегулируемый НР-Ф 2,5/50М: технические параметры
|
Наименование |
V, см3 |
КПД |
Q, л/мин |
P, Мпа |
Вес, кг |
|
Насос НР-Ф 2,5/50 |
2,5 |
0,75 |
3,5 |
50 |
28 |
|
Насос НР-Ф 4/50 |
4 |
0,75 |
5,6 |
50 |
32 |
|
Насос НР-Ф 6,3/50 |
6,3 |
0,75 |
8,8 |
50 |
48 |
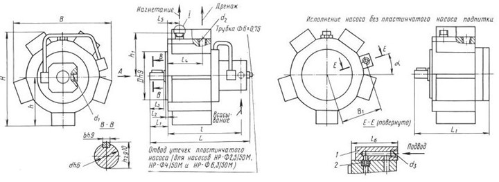
Технические характеристики насосов серии НР-Ф
- Рабочий объем: от 2,5 до 25 см³
- Рабочее давление: до 50 МПа (500 кгс/см²)
- Типоразмерный ряд: НР-Ф 2,5/50М, НР-Ф 4/50М, НР-Ф 6,3/50М, НР-Ф 16/50М, НР-Ф 25/50М
- Привод: от эксцентрикового вала
- Клапанное распределение рабочей жидкости
- Встроенный вспомогательный насос подпитки
- Фланцевое исполнение
- Возможность монтажа в горизонтальном и вертикальном положениях
Конструкция
Базой для изготовления всей линейки насосов НР-Ф является модель НР-Ф 6,3/50М. Насосы имеют унифицированные основные узлы и детали, что упрощает их обслуживание и ремонт.
Основными компонентами насосов НР-Ф являются
- Радиально расположенные поршни
- Эксцентриковый вал
- Клапанный механизм распределения
- Вспомогательный насос подпитки
Насосы НР-Ф могут эксплуатироваться в системах с максимальным рабочим давлением до 50 МПа и частотой вращения вала до 3000 об/мин.
t рабочей жидкости может составлять -40...+80°С.
Дополнительная информация:
- Насосы НР-Ф отличаются высокой надежностью, долговечностью и низким уровнем шума.
- Они могут использоваться в различных отраслях промышленности, включая машиностроение, металлургию и сельское хозяйство.
- Насосы поставляются с подробной инструкцией по эксплуатации и гарантийным талоном.
- Для обеспечения оптимальной работы насосов рекомендуется использовать рабочую жидкость, рекомендованную производителем.
- Своевременное техническое обслуживание и ремонт позволят продлить срок их службы и избежать поломок.







