Насосы типа 1НАС-Ф 63/22 устанавливаются в гидросистемах различных машин и агрегатов, таких как:
пресс вулканизации для изготовления диафрагм, гидростанция станка СГПМ-800 др.
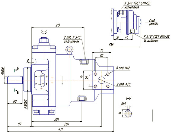
Насос 1НАС-Ф 63/22 разработан для подачи масла под давлением до 22 МПа и представляет собой агрегат, состоящий из следующих узлов:
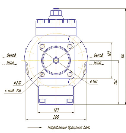
Вращение вала - правое.
Насосы типа 1НАС-Ф 63/22 устанавливаются в гидросистемах различных машин и агрегатов, таких как:
пресс вулканизации для изготовления диафрагм, гидростанция станка СГПМ-800 др.
| Рабочий объем, см3 | 63 |
| Номинальная частота вращения, с-1(об/мин): | 25 (1500) |
| Подача, л/мин | 89 |
| Номинальное давление на выходе, МПа: | 22 |
| Номинальная мощность, кВт: | 36,36 |
| Масса, кг | 62 |
Остались вопросы? Напишите нам!
Пожалуйста, заполните поля формы,
чтобы наши специалисты могли
связаться с вами
Пожалуйста, заполните поля формы,
чтобы наши специалисты могли
связаться с вами
Остались вопросы? Напишите нам!
Пожалуйста, заполните поля формы,
чтобы наши специалисты могли
связаться с вами







