Насос регулируемый аксиально-поршневой 1РНАС 250/35: технические параметры
| Рабочий объем см³ | 250 |
| Количество оборотов в мин | 1500 |
| Производительность, л/мин | 356,3 |
| Номинальное давление, МПа | 32 |
| Размеры, мм | 871х440х501 |
| Масса, кг | 238 |
Аксиально-поршневой гидравлический насос 1РНАС250/35 с постоянным движением потока входит в группу регулируемых моделей.
Задействуется как нагнетающий высокого (до 35 мПа) давления в гидроприводах станков, прессового оборудования и иных машин.
Исполнение РНАС: без реверса по потоку, с установкой подачи в пределах от 0 до номинального со следящим гидромеханическим регулированием подачи.
| Рабочий объем см³ | 250 |
| Количество оборотов в мин | 1500 |
| Производительность, л/мин | 356,3 |
| Номинальное давление, МПа | 32 |
| Размеры, мм | 871х440х501 |
| Масса, кг | 238 |
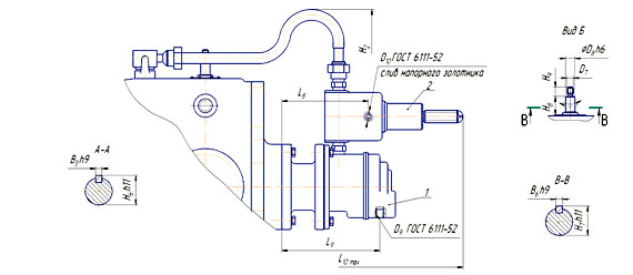
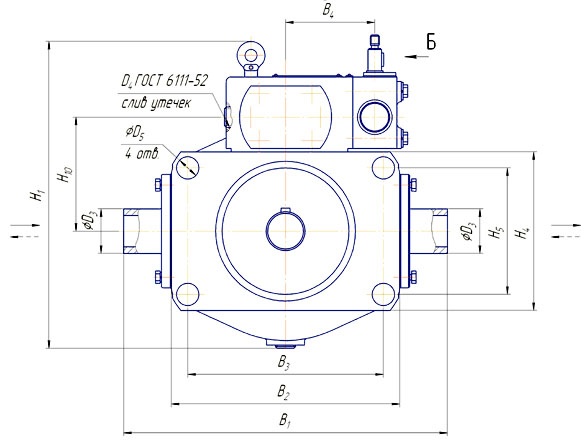
| Обозначение | 32/35 | 63/35 | 125/35 | 250/35 |
|---|---|---|---|---|
| L1 | 338,2 | 388,3 | 483,5 | 598 |
| L2 | 173,5 | 210 | 265 | 332 |
| L3 | 70 | 69,5 | 84,5 | 100 |
| L4 | 47 | 57 | 71 | 87 |
| L5 | 5 | 6 | 8 | 8 |
| L6 | 17 | 20 | 25 | 32 |
| L7 | 65 | 74,9 | 99,8 | 120 |
| L10 | 571,8 | 618,8 | 757,5 | 871 |
| H1 | 240 | 291,5 | 361,5 | 431,5 |
| H2 | 333,5 | 349 | 454,5 | 501 |
| H5 | 94 | 112 | 142 | 174 |
| B1 | 246 | 290 | 372 | 440 |
| B3 | 144 | 172 | 220 | 268 |
| D1 | 28 | 35 | 45 | 55 |
| D3 | 34 | 40 | 51 | 68 |
| D4 | К 1/2" | К 1/2" | К 1" | К 1 1/4" |
| D5 | 11 | 14 | 18 | 21 |
| D6 | 105 | 125 | 155 | 195 |
| D9 | К 3/8" | К 3/8" | - | - |
| D10 | К 3/8" | К 3/8" | К 1/2" | К 3/4" |
| D11 | - | - | М 33х2 | М 33х2 |
| 1 | 2 | 3 | 4 | 5 | 6 | 7 |
|---|---|---|---|---|---|---|
| 1 | РНА | С | 32, 63, 125, 250 | 35 | УХЛ, 0 | 4 |
| 1 | Исполнение | Без индекса - без вспомогательного насоса, 1 - со вспомогательным насосом однопоточным, 2 - со вспомогательным насосом двухпоточным (по спец. заказу) |
| 2 | Тип насоса | РНА |
| 3 | Вид управления | Следящий |
| 4 | Рабочий объем | 32, 63, 125, 250 см3 |
| 5 | Номинальное давление | 35 МПа |
| 6 | Климатическое исполнение | УХЛ - умеренно-холодный, О - тропический |
| 7 | Категория размещения | 4 |
Цену на 1РНАС250\35 уточняйте у консультанта онлайн по тел. +7 (351) 200-22-88.
Продукция в наличии. Звоните!
Остались вопросы? Напишите нам!
Пожалуйста, заполните поля формы,
чтобы наши специалисты могли
связаться с вами
Пожалуйста, заполните поля формы,
чтобы наши специалисты могли
связаться с вами
Остались вопросы? Напишите нам!
Пожалуйста, заполните поля формы,
чтобы наши специалисты могли
связаться с вами







