ГАРАНТИИ ПРОИЗВОДИТЕЛЕЙ Доставка до ТК - бесплатно! Подбор гидрораспределителя - бесплатно!
Насос - агрегат НМШ5-25-4,0/25-5 Насос-агрега масляный шестеренный НМШ5-25-4,0/25-5 по цене 42000 рублей в ТД УралГидроМаш в Челябинске с гарантией производителя. Характеристики. Доставка до ТК - бесплатно! Насос - агрегат НМШ5-25-4,0/25-5 Насос - агрегат НМШ5-25-4,0/25-5
Поделиться:

Насос - агрегат НМШ5-25-4,0/25-5

  • шестеренный агрегат
  • масляный
  • объемный насос, роль рабочего органа выполняют шестерни

Для насосного агрегата НМШ 5-25-4/4 чаще всего используют электродвигатель мощностью 1,5 кВт (А80В4, 4ВР80В4) и электродвигатель мощностью 2,2 кВт (A90L4, 4ВР90L4).

 

Цену уточняйте по номеру телефона
+7 (351) 200-22-88 или оставьте ваши контакты и мы вам перезвоним

Масляный шестеренный насос НМШ5-25-4,0/25-5 с э/двигателем: техническая информация

Наименование характеристики Значение
Подача не менее  4,0 (1,10) , м³/ч (л/с)
Давление насоса на выходе 2,5 (25) МПа (кгс/см²)
Допускаемая вакуумметрическая высота всасывания 5 м
Частота вращения  24 (1450) C-1 (об/мин)
Давление полного перепуска не более 3,75 (37,5) МПа (кгс/см²)
К.п.д. насоса в агрегате не менее 81,5%,
Мощность насоса в агрегате не более 3,6, кВт
Внешняя утечка не более 10x10-6 (0,01)  м³/ч (л/ч)
Масса насоса, чугун (бронза) 16 (18) кг

 

 

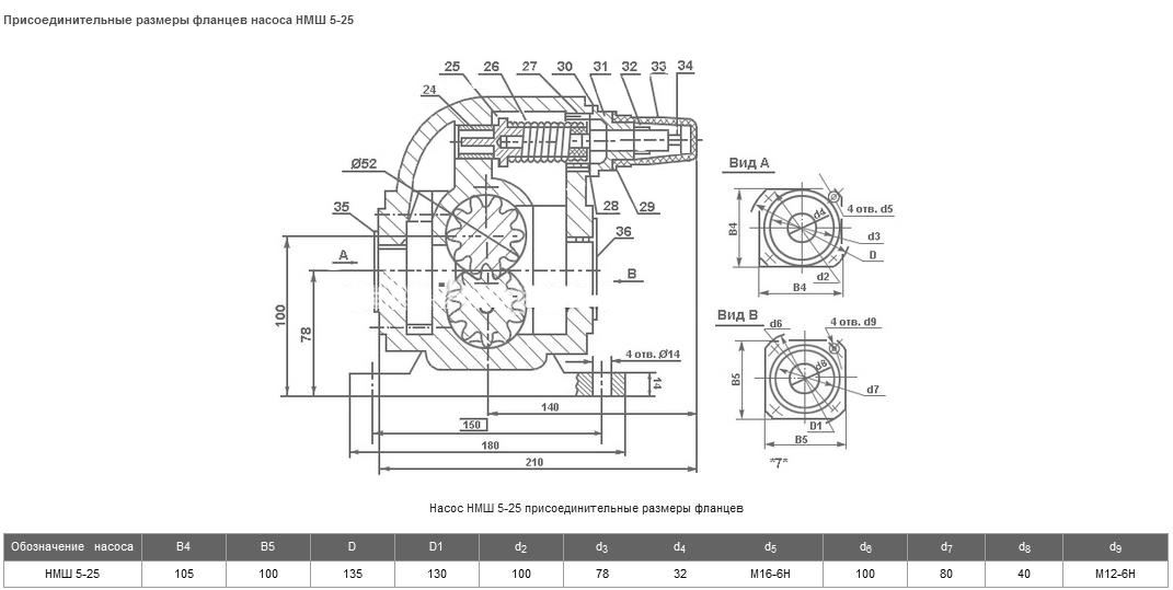
Информация из маркировки насоса - НМШ5-25-4,0/25-5

  • НМШ - насос масляный шестеренный на лапах
  • 5 - 5 литров - подача насоса на 100 оборотов
  • 25 - 25кгс/см2 - наибольшее давление
  • 4,0 - 4,0м3/ч - подача насоса в агрегате
  • 25 - 25кгс/см2 - давление на выходе из насоса в агрегате
    Дополнительные полные обозначения
  • К - нержавеющая сталь
  • 5 - исполнение двигателя
  • Ю - условное обозначение материала проточной части насоса, без обозначения - чугун
  • Б - бронза
  • Ю - алюминий и его сплавы
  • ТУ 26-06-1558-89 - обозначение технических условий

Как купить масляный шестеренный насос с э/дв. с доставкой

 

  • На сайте работает корзина заказов
  • Заказ примет онлайн-консультант
  • Через форму обратной связи
  • Направьте заказ по e-mail

 

Забрать товар самовывозом или заказать доставку по России, Казахстану и СНГ можно по адресу: г. Челябинск, ул. Автодорожная, д.13.

Стоимость доставки в соответствии с тарифами выбранной Вами ТК.

Рассчитать доставку...

Бесплатно и быстро доставим и сдадим Ваш груз транспортной компании!

 

Остались вопросы? Напишите нам!

Пожалуйста, заполните поля формы,
чтобы наши специалисты могли
связаться с вами

Оставить заявку
Подача насосов НПл однопоточных - от 5,3 до 110,4 л/мин. Следует отметить малую требовательность к вязкости жидкости в отсутствие высоких скоростей течения.
Подробнее
В НПл двухпоточных номинальная мощность насоса равна сумме мощностей однопоточных насосов. Заявленная производителем эффективность (КПД) 70 - 85%.
Подробнее
Схема, правила наименования пластинчатых насосов НПл НПл х(1)-х(2) / х(3) (Л) УХЛ(4)
Подробнее
Используя данный сайт, Вы соглашаетесь с условиями пользовательского соглашения и даёте разрешение на использование файлов куки(cookies).