ГАРАНТИИ ПРОИЗВОДИТЕЛЕЙ Доставка до ТК - бесплатно! Подбор гидрораспределителя - бесплатно!
12Г12-33М 12Г12-33М 12Г12-33М
Поделиться:

12Г12-33М

12Г12-33М насос:

  • пластинчатый
  • двухпоточные
  • нерегулируемые
  • подача насоса со стороны противоположной приводу
  • рабочее давление на выходе насоса - 6,3МПа
  • с постоянным направлением потока масла

Насос двухпоточный 12Г12-33М предназначен для подачи двумя независимыми потоками под давлением минерального масла (в качестве рабочей жидкости) в гидросистемы промышленных станков и других машин.

Предельное давление на выходе из насоса, допустимое для кратковременной работы, 70 кгс/см³. Продолжительность непрерывной работы на предельном давлении не более 1% в течение каждой минуты (т.е. 0,6 сек).

Цену уточняйте по номеру телефона
+7 (351) 200-22-88 или оставьте ваши контакты и мы вам перезвоним

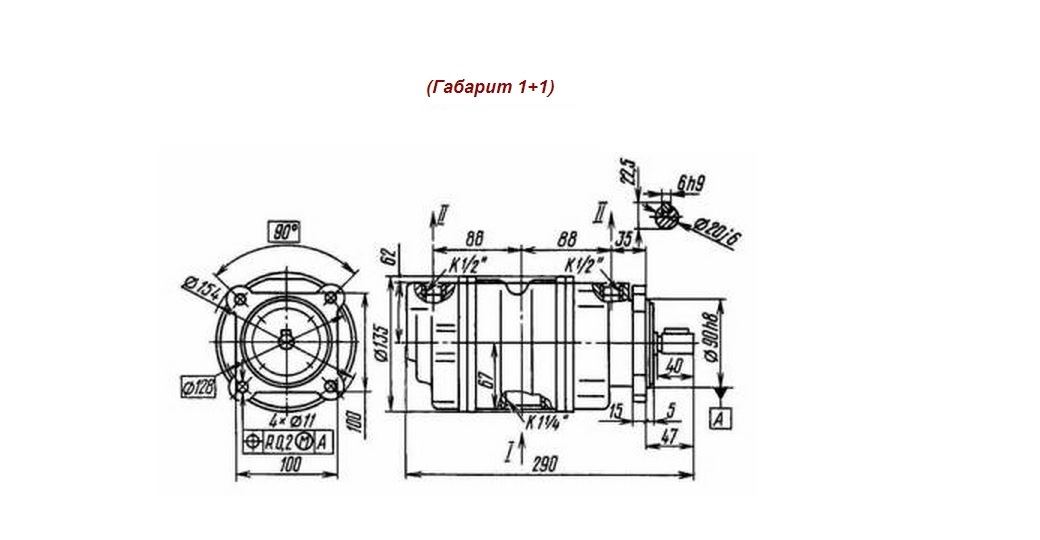
Технические характеристики

Параметры 12Г12-33М
Подача насоса со стороны привода (л/мин) 12,1
Подача насоса со стороны противоположной приводу (л/мин) 35,7
Мощность (кВт) 6,3
Масса, кг 17

 

Двухпоточный насос объединяет два однопоточных насоса, имеет общее всасывающее отверстие в и два нагнетательных а и б.

Принцип действия насоса 12Г12-33М

Вращаясь, вал передает вращательные движения пластинам, которые перемещаются в пазах ротора соответствующие профилю внутренней оболочки статора.

Монтаж и эксплуатация 12Г12-33М насоса

Всасывающий трубопровод должен быть по возможности коротким, с минимальным количеством изгибов и иметь диаметр отверстия для насосов производительностью 5-35 л/мин - 3/4", для насосов производительностью 50-100 л/мин - 1½", для насосов производительностью 140-200 л/мин - 48мм, для сдвоенных с насосами производительностью 5-100 л/мин - 60мм. Монтаж и эксплуатация насосов Г12-3М и Г12-2М

12Г12-33М насос: разборка - сборка

В двухпоточном насосе рабочий комплект первого насоса (со стороны привода) правого вращения, рабочий комплект второго насоса – левого. Особенности разборки и сборки насосов Г12-3М и Г12-2М

Установка насосов 12Г12-33М

Всасывающий и сливной трубопроводы погружайте в бак на расстояние двух диаметров трубы от дна. Перед первым пуском залейте масла в насос и выверните винт предохранительного клапана до нулевой настройки. Порядок установки насосов Г12-3М и Г12-2М

Подача насоса 12Г12-33М

Со стороны противоположной приводу:

5Г12-31М - 8л/мин

5Г12-32М - 18л/мин

5Г12-33М - 35л/мин

8Г12-31М - 8л/мин

8Г12-32М - 18л/мин

8Г12-33М - 35л/мин

12Г12-32М - 18л/мин

12Г12-33М - 35л/мин

18Г12-32М - 18л/мин

18Г12-33М - 35л/мин

25Г12-33М - 35л/мин

35Г12-33М - 35л/мин

5Г12-32АМ - 12л/мин

5Г12-31АМ - 5л/мин

5Г12-33АМ - 25л/мин

8Г12-32АМ -12л/мин

8Г12-33АМ - 25л/мин

12Г12-32АМ - 12л/мин

12Г12-33АМ - 25л/мин

18Г12-33АМ - 25л/мин

25Г12-33АМ - 25л/мин

Цену уточняйте у консультанта он-лайн, по электронной почте 2476568@mail.ru или по тел. +7-351-247-65-68 и +7-351-793-77-88. Продукция в наличии. Звоните!

 

Остались вопросы? Напишите нам!

Пожалуйста, заполните поля формы,
чтобы наши специалисты могли
связаться с вами

Оставить заявку
Сравнительная таблица характеристики насосов типа БГ12-2: однопоточных БГ12-2...М двухпоточных 12 (5, 8, 18, 25, 35)БГ12-2...(А)М
Подробнее
Структура условного обозначения однопоточного БГ12-2...(А)М и двухпоточного 12 (5, 8, 18, 25, 35) БГ12-2...(А)М пластинчатого насоса
Подробнее
Структура условного обозначения насосов на примере БГ12-41 УХЛ4.
Подробнее
Используя данный сайт, Вы соглашаетесь с условиями пользовательского соглашения и даёте разрешение на использование файлов куки(cookies).