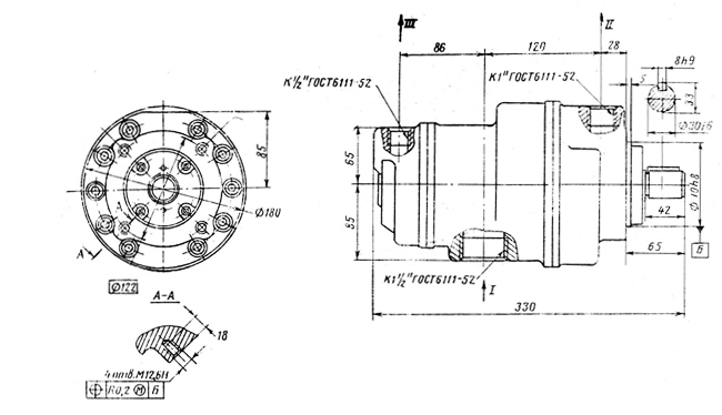
Преимущества насоса 8БГ12-24АМ:
- равномерный и устойчивый поток рабочей жидкости, что дольше сохраняет оборудование в рабочем состоянии
- низкий уровень требований к чистоте рабочей жидкости (масла). Нет необходимости устанавливать систему фильтрации.
- относительно невысокий уровень шума. Не надо использовать шумозащитные средства для персонала.







