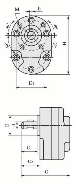
Маркируется
(Х) СВ-B 20 F
- X - шлицевой вал;
- CB - наименование продукта;
- В - номин. давление 2,5 МПа;
- 20 - л/мин., литраж (литров на 100 оборотов);
- F - левостороннее вращения вала.
Информация по моделям серии CB-B
| Наименование | Литраж, л/мин | Давление, МPа | Скорость, об/мин | Мощность, кВт | Масса, кг |
| CB-B2.5 | 2,5 | 2,5 | 1450 | 0,18 | 1,60 |
| CB-B4 | 4 | 2,5 | 1450 | 0,21 | 1,70 |
| CB-B6 | 6 | 2,5 | 1450 | 0,31 | 1,80 |
| CB-B10 | 10 | 2,5 | 1450 | 0,51 | 2,10 |
| CB-B16 | 16 | 2,5 | 1450 | 0,82 | 4,20 |
| CB-B20 | 20 | 2,5 | 1450 | 1,30 | 4,40 |
| CB-B25 | 25 | 2,5 | 1450 | 0,10 | 4,60 |
| CB-B32 | 32 | 2,5 | 1450 | 1,65 | 5,00 |
| CB-B40 | 40 | 2,5 | 1450 | 2,10 | 7,20 |
| CB-B50 | 50 | 2,5 | 1450 | 2,60 | 7,60 |
| CB-B63 | 63 | 2,5 | 1450 | 3,30 | 7,80 |
| CB-B80 | 80 | 2,5 | 1450 | 4,10 | 12,60 |
| CB-B100 | 100 | 2,5 | 1450 | 5,10 | 13,30 |
| CB-B125 | 125 | 2,5 | 1450 | 6,50 | 14,50 |
| CB-B160 | 160 | 2,5 | 1450 | 8,20 | 15,60 |








