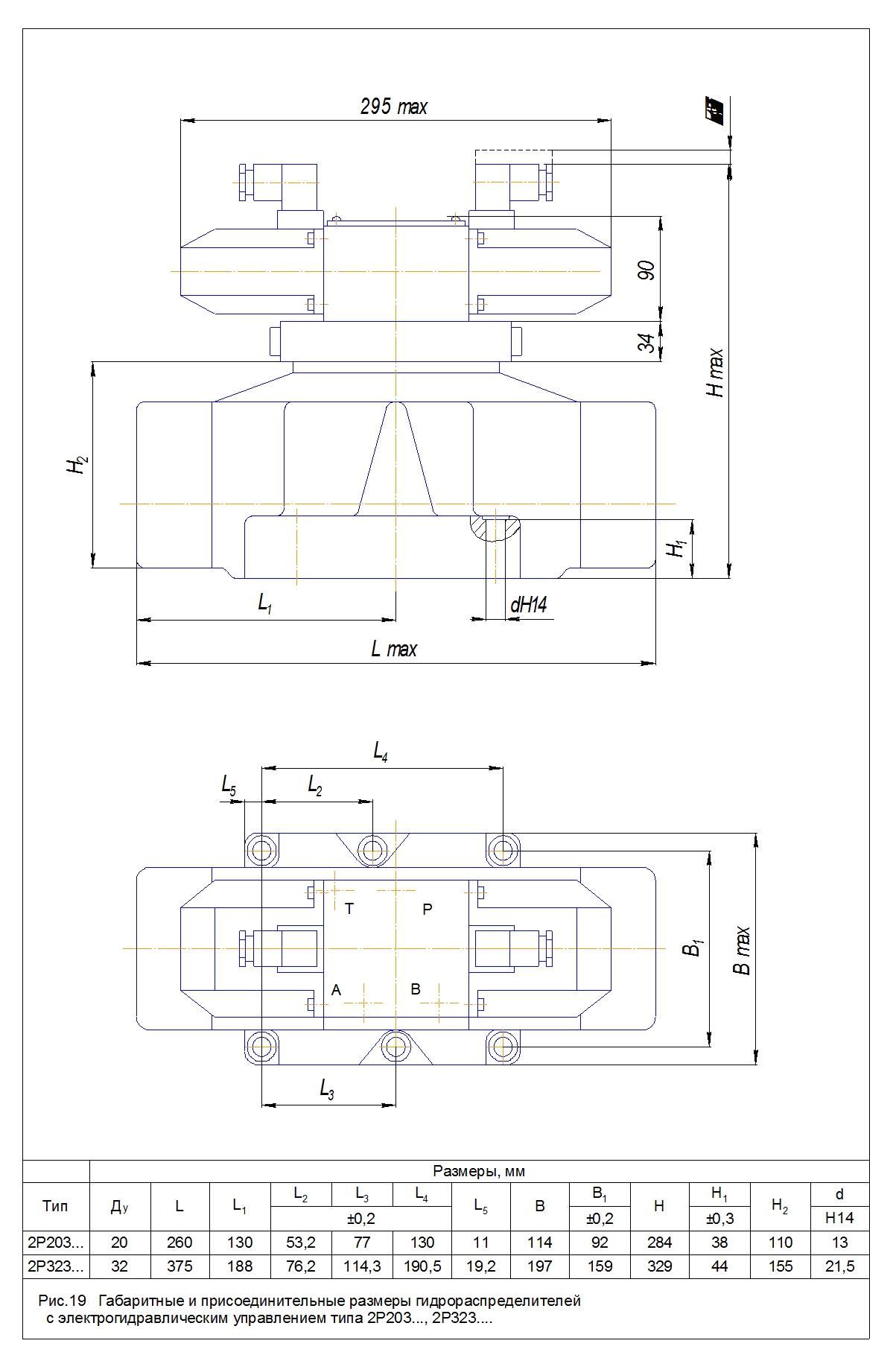
Технические характеристики
| Наименование характеристики | Значение |
| Условный проход | 32 мм |
| Гидравлическая схема | 574 |
| Электромагнитный пилот Ду= | 10 |
| Количество электромагнитов | 1 |
| С электромагнитами | переменного тока напряжением 220В |
| Возврат золотника | Пружинный |
| Подвод | от независимого потока , слив независимый |
| Расход рабочей жидкости | 330-500 л/мин |
| Давление на входе | 32 МПа |







