Технические характеристики
| Наименование характеристики | Значение |
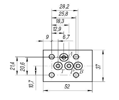
| Условный проход | 4 мм |
| Схема переключения рабочих каналов | 24 |
| Номинальный расход рабочей жидкости | 15 л/мин |
| C двухсторонним электромагнитным управлением | на 24 В постоянного тока (в других исполнениях на 110 и 220 В переменного тока) |
Применяется в гидроагрегатах прессов и мобильной техники.







