Технические характеристики
| Наименование характеристики | Значение |
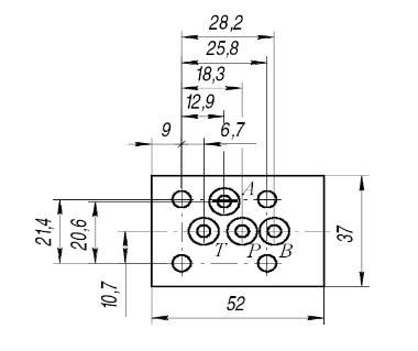
| Условный проход | 4 мм |
| Схема переключения рабочих каналов | 54 |
| Напряжение: | 24 В пост. тока, 110 или 220 вольта переменного тока |
| Номинальный расход рабочей жидкости | 15 л/мин |
| Номинальное давление на входе | 25 МПа |







