ГАРАНТИИ ПРОИЗВОДИТЕЛЕЙ Доставка до ТК - бесплатно! Подбор гидрораспределителя - бесплатно!
ВЕ 43.754 Г24 Гидрораспределитель золотниковый двухпозиционный ВЕ 43.754 Г24 с электромагнитным управлением с гарантией производителя. Технические характеристики, цены. Доставка до ТК - бесплатно. ВЕ 43.754 Г24 ВЕ 43.754 Г24
Поделиться:

ВЕ 43.754 Г24

  • золотниковые
  • двухпозиционные
  • с электромагнитным управлением
  • электромагнит со стороны канала B
    Гидрораспределители типа ВЕ 43 используются в двух типовых решениях:

для управления клапанной гидроаппаратурой встраиваемого исполнения,
самостоятельно - для управления потоками рабочей жидкости в гидравлических системах.

Цену уточняйте по номеру телефона
+7 (351) 200-22-88 или оставьте ваши контакты и мы вам перезвоним

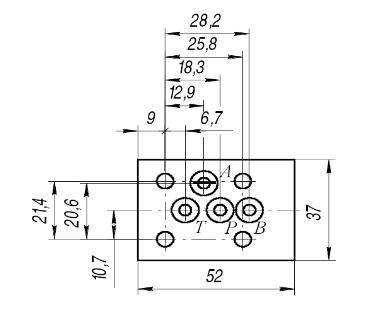
Технические характеристики

Наименование характеристики Значение
Условный проход 4 мм
Схема переключения рабочих каналов 754А
Напряжение:  24 В пост. тока, 110 или 220 вольта переменного тока
Номинальный расход рабочей жидкости 15 л/мин
Номинальное давление на входе 25 МПа

 

Устройство и работа гидрораспределителей ВЕ 43.754 Г24

Строение основных частей гидрораспределителей

трёхпозиционных:

ВЕ43 574А, ВЕ43 574, ВЕ43 754, ВЕ43 573,

двухпозиционных:

ВЕ43 24, ВЕ43 34, ВЕ43 44, ВЕ43 54

одинаково:

корпус,
электромагниты (один или два),
золотник,
возвратная пружина,
каналы Р,А,В,Т, принимающие непосредственное участие в управлении пуском, остановом и направлением объемного потока рабочего раствора жидкости. Устройство и принцип работы подробнее...

Остались вопросы? Напишите нам!

Пожалуйста, заполните поля формы,
чтобы наши специалисты могли
связаться с вами

Оставить заявку
Гидравлическая аппаратура для распределения и управления потоками. Классификация.
Подробнее
Гидрораспределитель. Назначение, основные характеристики. Секционный вид распределителя и его состав.
Подробнее
Масса (без рабочей жидкости) в сравнении: ВЕХ10 не более 3,7кг < ВМР10 не более 3,8кг ВММ10 не более 4кг ВЕ10 не более 6,1кг.
Подробнее
Используя данный сайт, Вы соглашаетесь с условиями пользовательского соглашения и даёте разрешение на использование файлов куки(cookies).