ГАРАНТИИ ПРОИЗВОДИТЕЛЕЙ Доставка до ТК - бесплатно! Подбор гидрораспределителя - бесплатно!
Гидрораспределитель с электромагнитным управлением 1РЕ10 74 В220 Гидрораспределитель золотниковый 1РЕ10 74 В220 в наличии в ТД УралГидроМаш в Челябинске с гарантией производителя. Подбор бесплатно. Схемы подключения. Цена. Гидрораспределитель с электромагнитным управлением 1РЕ10 74 В220 Гидрораспределитель с электромагнитным управлением 1РЕ10 74 В220
Поделиться:

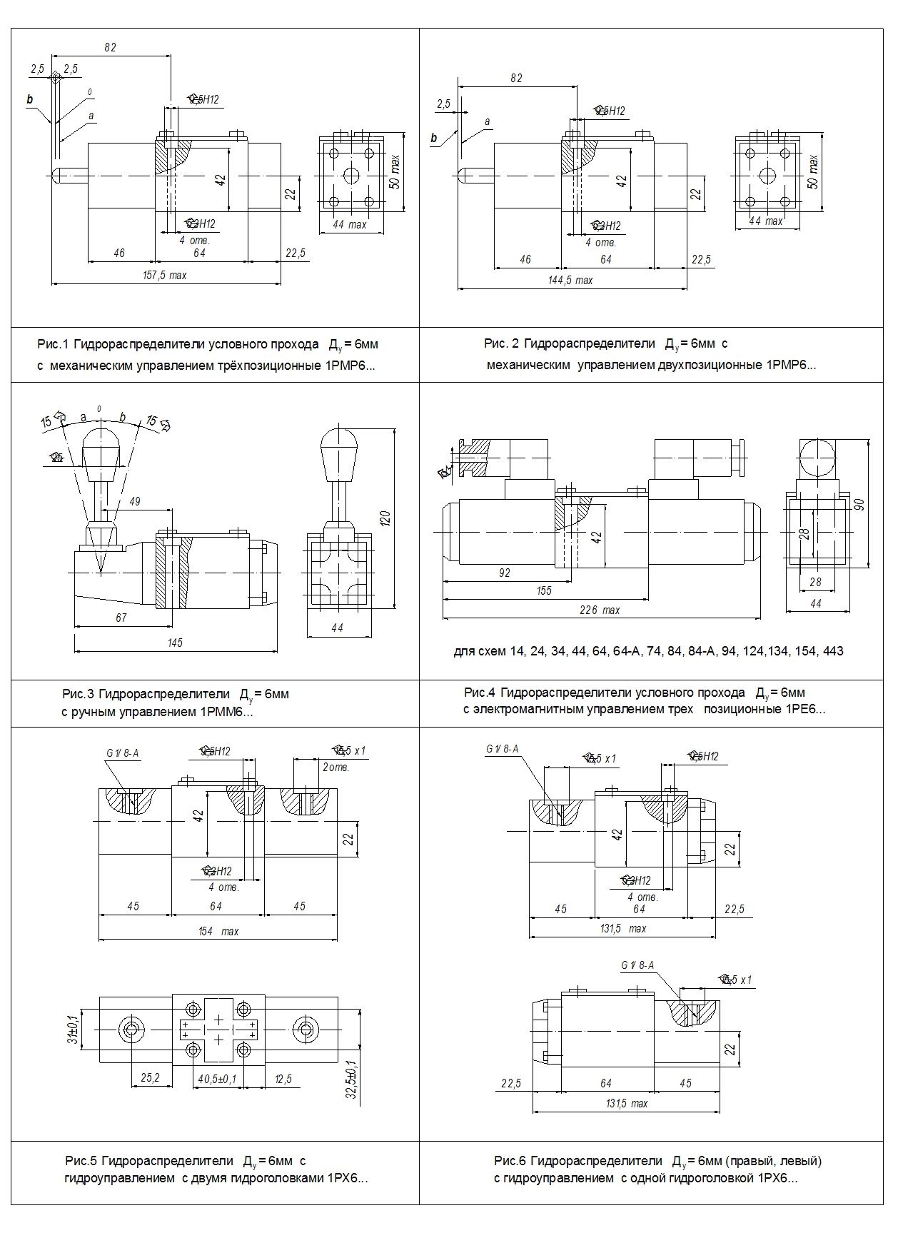
Гидрораспределитель с электромагнитным управлением 1РЕ10 74 В220

Цену уточняйте по номеру телефона
+7 (351) 200-22-88 или оставьте ваши контакты и мы вам перезвоним

Рассчитан на давление до 32 Мпа, их отличают значительно большие расходы, чем крановых собратьев.

В качестве запорно-регулирующего компонента используется золотник (цилиндр переменного Ø).

Схема распределения 74
Условный проход, мм 10
Расход рабочей жидкости, л/мин 25-40
Номинальное давление на входе, МПа 32 
Max давление на выходе, МПа  15
Max давление управления, МПа  0,8-6,0 
Масса не более, кг 6,45

 

 

Цену уточняйте у консультанта онлайн по тел. +7 (351) 200-22-88.

Продукция в наличии. Звоните!

 

 

Остались вопросы? Напишите нам!

Пожалуйста, заполните поля формы,
чтобы наши специалисты могли
связаться с вами

Оставить заявку
Гидравлическая аппаратура для распределения и управления потоками. Классификация.
Подробнее
Гидрораспределитель. Назначение, основные характеристики. Секционный вид распределителя и его состав.
Подробнее
Масса (без рабочей жидкости) в сравнении: ВЕХ10 не более 3,7кг < ВМР10 не более 3,8кг ВММ10 не более 4кг ВЕ10 не более 6,1кг.
Подробнее
Используя данный сайт, Вы соглашаетесь с условиями пользовательского соглашения и даёте разрешение на использование файлов куки(cookies).