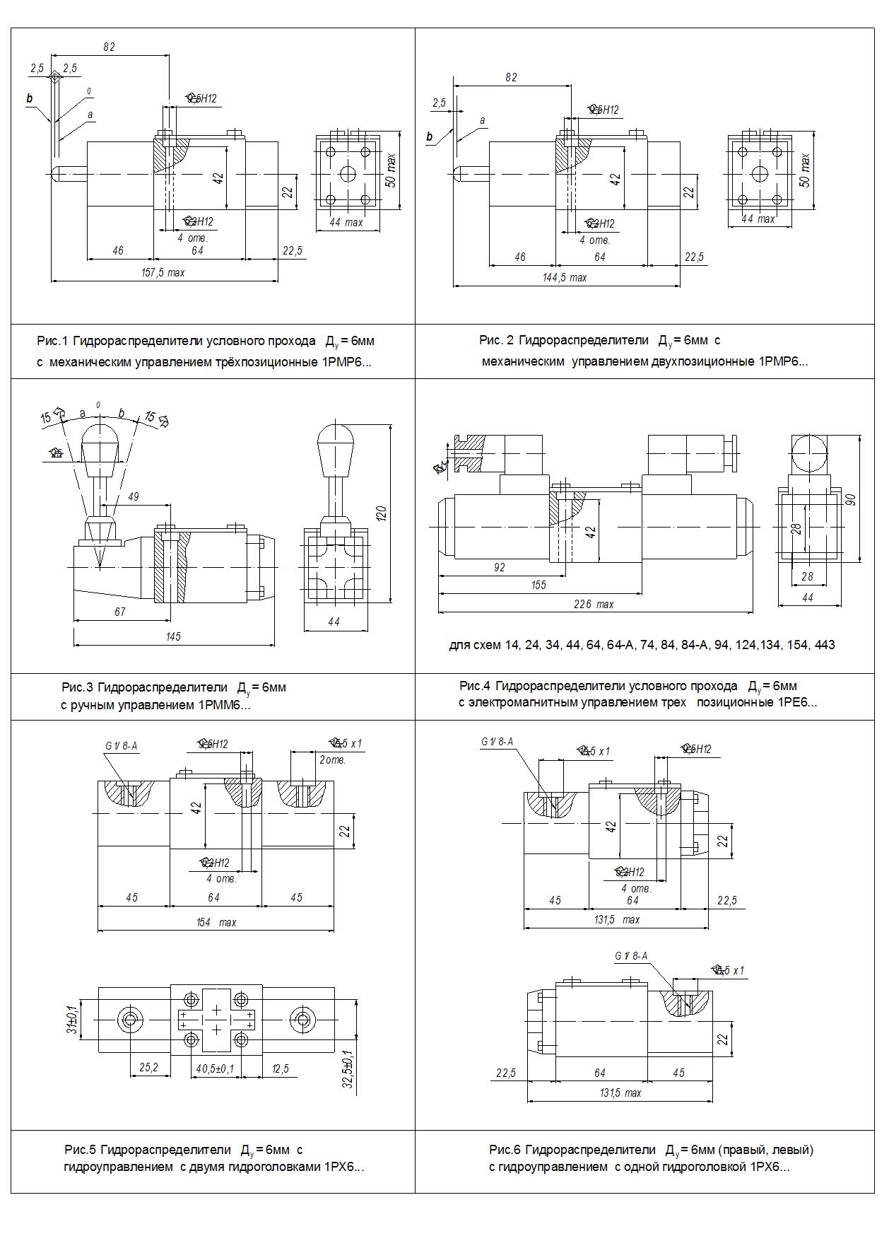
Технические характеристики 1РЕ6 573 В220
| Параметр | значение |
| Схема возврата золотника | без пружинного возврата с фиксатором |
| Условный проход, мм | 6 |
| Расход рабочей жидкости, л/мин | 12,5 |
| Вязкость рабочей жидкости, мм² | от 10 до 400 |
| Номинальной скорости фильтрации, мкм | не менее 25 |
| Температура окружающей среды, °С | от -40 до + 55 |
| Количество электромагнитов, шт | 1 |
| Номинальное давление на входе, МПа (кгс/см²) | 32 (320) |
| Максимальное давление на выходе, МПа (кгс/см²) | 6 (60) |
| Максимальное давление управления, МПа (кгс/см²) | 0,6-6,0 (6-60) |
| Вес, кг | 1 |







