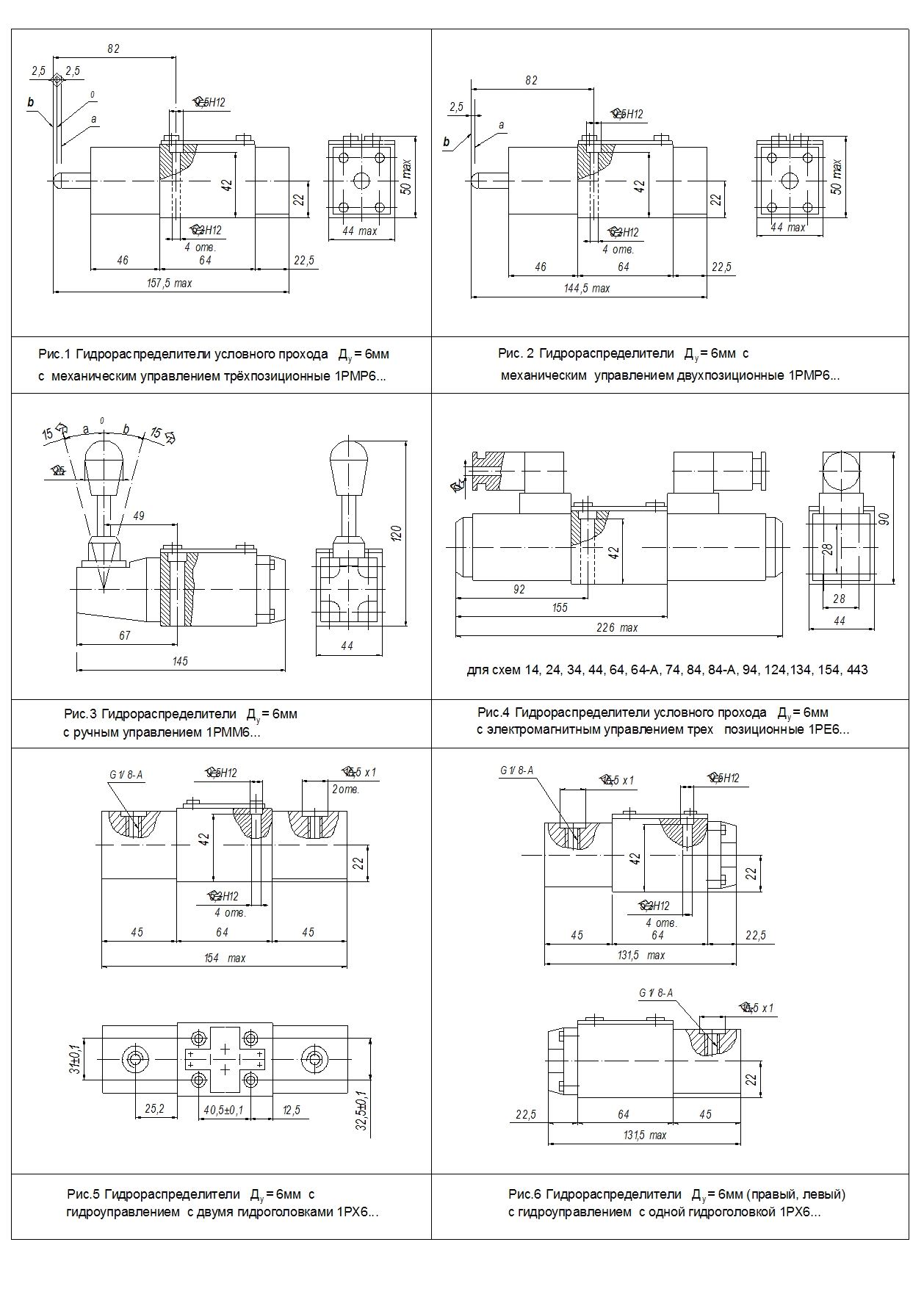
Данный гидроаппарат относится к гидравлическим распределителям электромагнитных катушек, в которых катушка переключается за счет элемента управления - электромагнитного диска.
Гидрораспределитель 1РЕ6 574 А В220 применяется для управления потока РЖ (рабочая жидкость) в гидросистемах через внешнее воздействие - сигнала.
Широко используется в таких отраслях, как металлургия, легкая промышленность, машиностроение, а также в различной дорожно-строительной технике.
Данный гидроаппарат относится к гидравлическим распределителям электромагнитных катушек, в которых катушка переключается за счет элемента управления - электромагнитного диска.
| Параметр | значение |
| Схема возврата золотника | без пружинного возврата с фиксатором |
| Условный проход, мм | 6 |
| Расход рабочей жидкости, л/мин | 20-25 |
| Вязкость рабочей жидкости, мм² | от 10 до 400 |
| Номинальной скорости фильтрации, мкм | не менее 25 |
| Температура окружающей среды, °С | от -40 до + 55 |
| Количество электромагнитов, шт | 1 |
| Номинальное давление на входе, МПа (кгс/см²) | 32 (320) |
| Максимальное давление на выходе, МПа (кгс/см²) | 6 (60) |
| Максимальное давление управления, МПа (кгс/см²) | 0,6-6,0 (6-60) |
| Вес, кг | 1,6 |
Остались вопросы? Напишите нам!
Пожалуйста, заполните поля формы,
чтобы наши специалисты могли
связаться с вами
Пожалуйста, заполните поля формы,
чтобы наши специалисты могли
связаться с вами
Остались вопросы? Напишите нам!
Пожалуйста, заполните поля формы,
чтобы наши специалисты могли
связаться с вами







