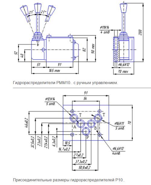
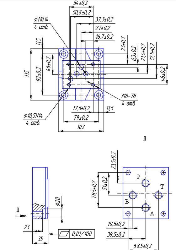
Технические характеристики
| Наименование характеристики | Значение |
| Условный проход | 10 мм |
| Давление на входе | 32 МПа |
| Расход рабочей жидкости | 40 л/мин |
| Вид управления | ручное |
| Схема распределения потока рабочей жидкости | 14 |
| Установка золотника | пружинный возврат |
| Вес | 4,0 кг |







