ГАРАНТИИ ПРОИЗВОДИТЕЛЕЙ Доставка до ТК - бесплатно! Подбор гидрораспределителя - бесплатно!
РХ 20 14 B220 Золотниковый гидрораспределитель РХ 20 14 B220 купить в ТД УралГидроМаш с гарантией производителя. Доставка до ТК - бесплатно! Подбор гидрораспределителя - бесплатно!  РХ 20 14 B220  РХ 20 14 B220
Поделиться:

РХ 20 14 B220

  • золотниковый
  • внутреннее управляющее оборудование
  • управление электрогидравлическое
    Гидрораспределитель РХ 20.14 (полное наименование может быть, например, таким:РХ 20.14.3.00.220/50.АМ) предназначен для изменения направления или пуска и останова рабочей жидкости в гидравлических системах.
Цену уточняйте по номеру телефона
+7 (351) 200-22-88 или оставьте ваши контакты и мы вам перезвоним

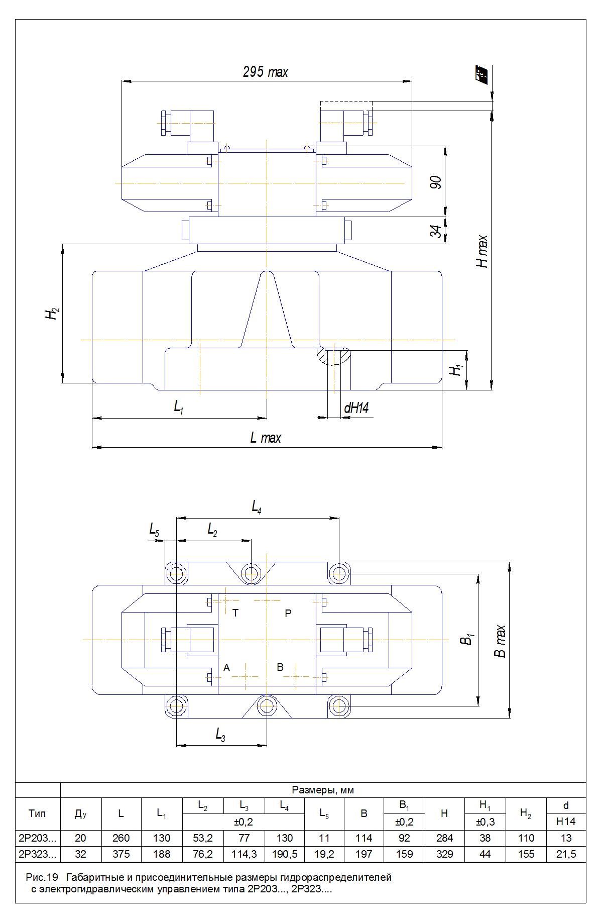
Технические характеристики

Наименование характеристики Значение
Условный проход, мм 20 мм
Схема возврата золотника: пружинный возврат
Номинальный расход рабочей жидкости, л/мин: 20
Подвод от независимого потока , слив независимый  
Номинальное давление, МПа: 32
Номинальное напряжение, В: 24,110,220,380
Частота тока, Гц: 50
Гидросхема: 14

 

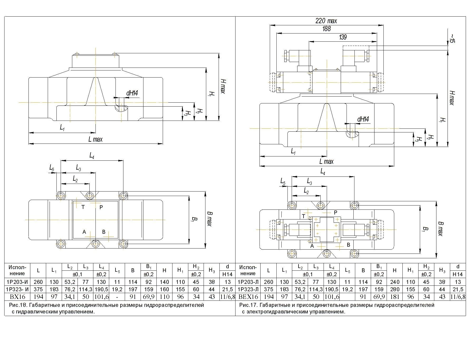
Принцип работы гидрораспределителя РХ 20.14

Потоки рабочей жидкости распределяются в гидросистеме путём перекрытия потока или разрешения движения по определённым линиям подачи под воздействием внешнего направленного управления. Подробно

Так обеспечивается раздельный доступ жидкости к различным частям и агрегатам гидросистемы.

Гидрораспределители могут иметь разное отношение номинальное напряжения/ Частота тока : 24В/50Гц, 110В/50Гц, 220В/50Гц, 380В/50Гц. При заказе данную характеристику распределителей следует уточнить:

РХ 20 14

РХ 20 24

РХ 20 34

РХ 20 44

РХ 20 64

Остались вопросы? Напишите нам!

Пожалуйста, заполните поля формы,
чтобы наши специалисты могли
связаться с вами

Оставить заявку
Гидравлическая аппаратура для распределения и управления потоками. Классификация.
Подробнее
Гидрораспределитель. Назначение, основные характеристики. Секционный вид распределителя и его состав.
Подробнее
Масса (без рабочей жидкости) в сравнении: ВЕХ10 не более 3,7кг < ВМР10 не более 3,8кг ВММ10 не более 4кг ВЕ10 не более 6,1кг.
Подробнее
Используя данный сайт, Вы соглашаетесь с условиями пользовательского соглашения и даёте разрешение на использование файлов куки(cookies).