ГАРАНТИИ ПРОИЗВОДИТЕЛЕЙ Доставка до ТК - бесплатно! Подбор гидрораспределителя - бесплатно!
РХ20 24 В220 Золотниковый гидрораспределитель РХ 20 24 B220 купить в ТД УралГидроМаш с гарантией производителя. Доставка до ТК - бесплатно! Подбор гидрораспределителя - бесплатно! РХ20 24 В220 РХ20 24 В220
Поделиться:

РХ20 24 В220

  • золотниковый
  • внутреннее управляющее оборудование
  • управление электрогидравлическое
  • пружинный возврат золотника
  • Подвод от независимого потока , слив независимый
Цену уточняйте по номеру телефона
+7 (351) 200-22-88 или оставьте ваши контакты и мы вам перезвоним

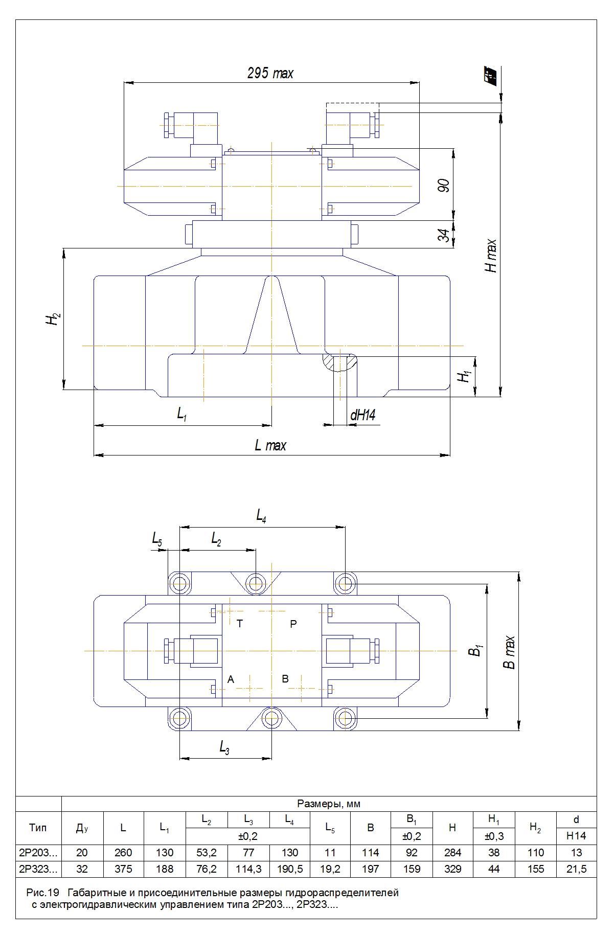
Технические характеристики

Наименование характеристики Значение
Условный проход, мм 20 мм
Схема гидравлическая 24
Номинальный расход масла, л/мин: 20
Номинальное давление, МПа: 32
Номинальное напряжение, В: 220 
Частота тока, Гц: 50
Вид управления: электрическое

 

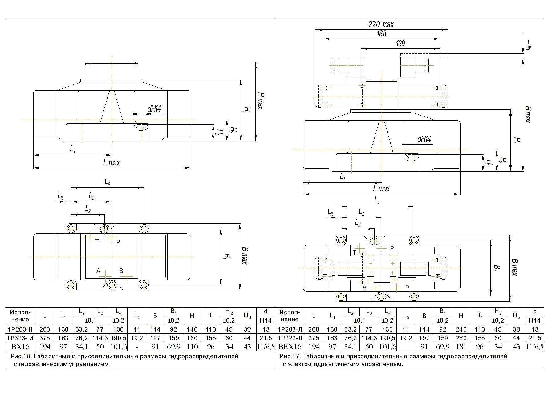
Гидрораспределитель РХ 20.24 (полное наименование может быть, например, таким:РХ 20.24.3.00.220/50.АМ) предназначен для изменения направления или пуска и останова рабочей жидкости в гидравлических системах.

Состав и строение РХ 20.24

корпус
золотник
крышки
пружины
пилоты
В корпусе расположены 3 вида каналов:

для подключения основных линий Р, Т, А и В
линии управления Х- подвод, Y- слив
дренажная линия L только для трехпозиционных распределителей с гидравлическим центрированием
Принцип работы распределителя РХ 20.24

Потоки рабочей жидкости распределяются в гидросистеме путём перекрытия потока или разрешения движения по определённым линиям подачи под воздействием внешнего направленногоуправления. Подробно

Остались вопросы? Напишите нам!

Пожалуйста, заполните поля формы,
чтобы наши специалисты могли
связаться с вами

Оставить заявку
Гидравлическая аппаратура для распределения и управления потоками. Классификация.
Подробнее
Гидрораспределитель. Назначение, основные характеристики. Секционный вид распределителя и его состав.
Подробнее
Масса (без рабочей жидкости) в сравнении: ВЕХ10 не более 3,7кг < ВМР10 не более 3,8кг ВММ10 не более 4кг ВЕ10 не более 6,1кг.
Подробнее
Используя данный сайт, Вы соглашаетесь с условиями пользовательского соглашения и даёте разрешение на использование файлов куки(cookies).