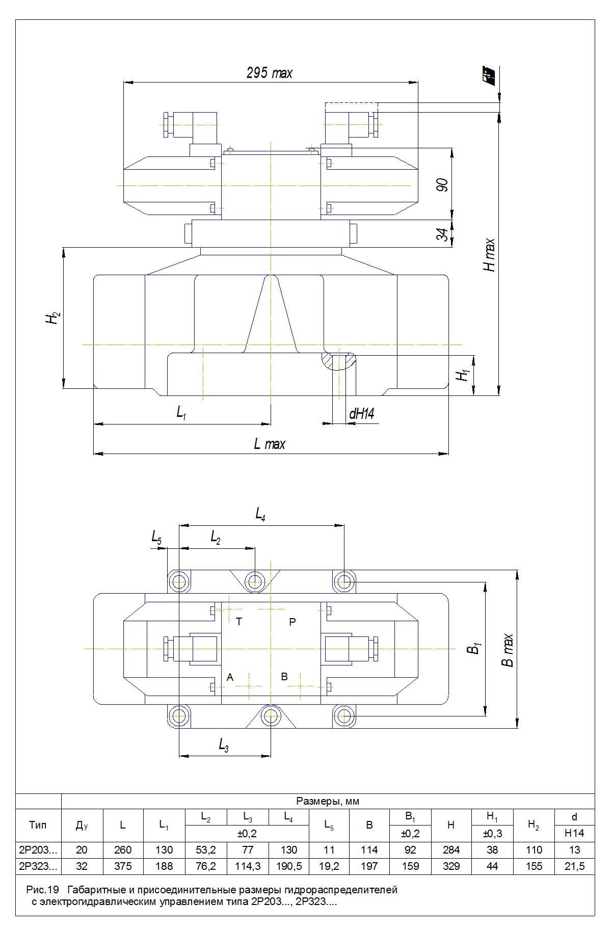
Технические характеристики
| Наименование характеристики | Значение |
| Условный проход, мм | 20 мм |
| Cхема возврата золотника | пружинный возврат |
| Номинальный расход рабочей жидкости, л/мин: | 20 |
| Номинальное давление, МПа: | 32 |
| Номинальное напряжение, В: | 24,110,220,380 |
| Частота тока, Гц: | 50 |
| Вид управления: | электрическое |







