ГАРАНТИИ ПРОИЗВОДИТЕЛЕЙ Доставка до ТК - бесплатно! Подбор гидрораспределителя - бесплатно!
РХ06 44 В220 Гидрораспределитель с электромагнитным управлением РХ06 44 В220 (Болгария) в наличии в ГидроМаш в Челябинске с гарантией производителя. Технические характеристики, цены. Подбор бесплатно.  РХ06 44 В220  РХ06 44 В220
Поделиться:

РХ06 44 В220

Гидравлический распределитель с электромагнитным управлением РХ06 44 В220 (производитель Болгария)

  • золотниковый
  • с двухсторонним электромагнитным управлением
  • на 24 В постоянного тока (в других исполнениях на 110 и 220 В переменного тока)
  • применяется в гидроагрегатах станков и мобильной техники.
  • гидрораспределители с гидросхемой 64 наиболее востребованы в современном машиностроении
  • пилот с пружинным возвратом

Цену уточняйте по номеру телефона
+7 (351) 200-22-88 или оставьте ваши контакты и мы вам перезвоним

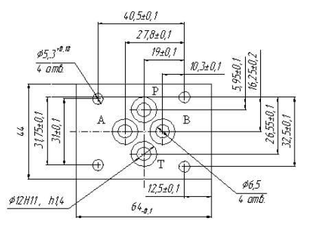
Технические характеристики РХ06 44 В220

Наименование характеристики Значение
 Условный проход  6 мм
Cхема открывания-закрывания рабочих каналов 44
 Напряжение  220 вольта переменного тока
Тип управления золотником двухстороннее электромагнитное, пружинный возврат в исходное положение
 Расход рабочей жидкости 16-30 л/мин
Номинальное давление на входе 32 МПа
Климатическое исполнение для районов с умеренным и холодным климатом
Масса не более 1,95 кг

 

Устройство, принцип работы гидрораспределителей РХ 06 44

Конструкция гидрораспределителя всех видов управления принципиально одинаковая:

корпус,
магнит
катушка со стороны канала А или со стороны канала В,
золотник,
возвратные пружины.

Остались вопросы? Напишите нам!

Пожалуйста, заполните поля формы,
чтобы наши специалисты могли
связаться с вами

Оставить заявку
Гидравлическая аппаратура для распределения и управления потоками. Классификация.
Подробнее
Гидрораспределитель. Назначение, основные характеристики. Секционный вид распределителя и его состав.
Подробнее
Масса (без рабочей жидкости) в сравнении: ВЕХ10 не более 3,7кг < ВМР10 не более 3,8кг ВММ10 не более 4кг ВЕ10 не более 6,1кг.
Подробнее
Используя данный сайт, Вы соглашаетесь с условиями пользовательского соглашения и даёте разрешение на использование файлов куки(cookies).