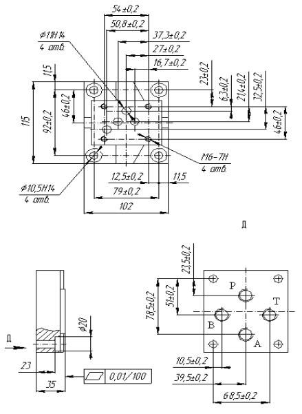
Технические характеристики РХ10 44 В220
| Наименование характеристики | Значение |
| Условный проход | 10 мм |
| Давление на входе ном/макс/мин | 32/32/0 МПа |
| Максимально допустимое давление на сливе | 15 (150) МПа (кгс/см²) |
| Максимально допустимое давление в дренажной полости | 0,05 МПа |
| Гидросхема | 44 |
| Максимальная продолжительность включения при номинальных значениях давления и расхода - 10 мин | 10 мин |
| Внутренняя герметичность (максимальные внутренние утечки по каждой линии) при давлении 32МПа | 150 см³/мин |
| Максимальная продолжительность включения при номинальных значениях давления и расхода | 10 мин |
| Внутренняя герметичность (максимальные внутренние утечки по каждой линии) при давлении 32МПа | 150 см³/мин |
| Масса (без рабочей жидкости) | 3,7 кг |
| Максимальное число срабатываний гидрораспределителя в 1 ч для переменного тока | 7200 |
| гидрораспределителя с гидравлическим управлением | 0,06/0,06 с. |
| Время срабатывания при номинальных значениях давления и расхода для гидрораспределителя с электрическим управлением: | |
| - с магнитами переменного тока (время включения/время отключения) - 0,05/0,03 с. | |
| - с магнитами переменного тока (время включения/время отключения) - 0,05/0,03 с. | |
| - с магнитами переменного тока с выпрямителем Д, Д1 и Д2 (время включения/время отключения) - 0,094/0,07 с. | |
| - с магнитами постоянного тока (время включения/время отключения) - 0,094/0,07 с. |







