ГАРАНТИИ ПРОИЗВОДИТЕЛЕЙ Доставка до ТК - бесплатно! Подбор гидрораспределителя - бесплатно!
РХ10 573 В220 Гидрораспределитель золотниковый РХ10 573 В220 (Болгария) в наличии в ГидроМаш в Челябинске с гарантией производителя. Технические характеристики, цены. Подбор бесплатно. РХ10 573 В220 РХ10 573 В220
Поделиться:

РХ10 573 В220

Гидравлический распределитель с электромагнитным управлением РХ10 573 В220 производства Болгарии являются аналогами ВЕ10 отечесвенных производителей. 

  • золотниковый
  • электрическое и электрогидравлическое управление
    220 В переменного тока (в других исполнениях на 110 и на 24 В постоянного тока)
  • пуска и останова рабочей жидкости
  • изменение направления движения масла в гидравлических системах
  • пилот с пружинным возвратом
  • минеральные масла с кинетической вязкостью от 10 до 400 мм²/с с номинальной тонкостью фильтрации не грубее 25 мкм.
  • Без регулирования времени переключения
  • температура окружающей среды от -40 до +50°С

Область применения: станки, пресса, системы и устройства и автоматическим и полуавтоматическим циклом работы (ГАП, манипуляторы, станки с ЧПУ) и другие машины.

Цену уточняйте по номеру телефона
+7 (351) 200-22-88 или оставьте ваши контакты и мы вам перезвоним

Технические характеристики РХ10 573 В220 

Наименование характеристики Значение
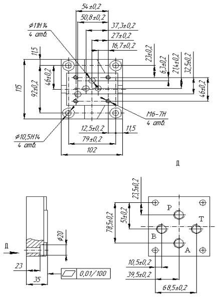
Условный проход 10 мм
Давление на входе ном/макс/мин 32/32/0 МПа
Максимально допустимое давление на сливе 15 (150) МПа (кгс/см²)
Максимально допустимое давление в дренажной полости 0,05 МПа
Гидросхема 574А
Расход масла 25…40л/мин
Максимальная продолжительность включения при номинальных значениях давления и расхода         10 мин
Внутренняя герметичность (максимальные внутренние утечки по каждой линии) при давлении 32МПа 150 см³/мин.
Максимальное число срабатываний гидрораспределителя в 1 ч для переменного тока 7200
Масса (без рабочей жидкости) 3,7 кг
гидрораспределителя с гидравлическим управлением 0,06/0,06 с.
Время срабатывания при номинальных значениях давления и расхода для  гидрораспределителя с электрическим управлением:  
- с магнитами переменного тока (время включения/время отключения) - 0,05/0,03 с. 
 - с магнитами переменного тока (время включения/время отключения) - 0,05/0,03 с.
 - с магнитами переменного тока с выпрямителем Д, Д1 и Д2 (время включения/время отключения) - 0,094/0,07 с.
 - с магнитами постоянного тока (время включения/время отключения) - 0,094/0,07 с.

Конструкция гидрораспределителя всех видов управления принципиально одинаковая:

корпус,
магнит
катушка со стороны канала А или со стороны канала В,
золотник,
возвратные пружины.

 

Принцип работы распределителей гидрожидкости, предлагаемых в нашей товарной карте

РХ06 574 В220

РХ06 574 ОФ В220

РХ06 14 В220

РХ06 24 В220

РХ06 34 В220

РХ06 44 В220

РХ06 64 В220

РХ10 573 В220

РХ10 574 В220

РХ10 574 ОФ В220

РХ10 14 В220

РХ10 24 В220

РХ10 34 В220

РХ10 44 В220

РХ10 64 В220

РХ10 74 В220

РХ10 84 В220

РХ10 94 В220

принципиально схож.

При отсутствии управляющего сигнала золотник удерживается пружиной в среднем или в исходном положении (кроме импульсного золотника). Переключение золотника осуществляется от заполненного маслом магнита.

Магнит через толкатель перемещает управляющий золотник из исходного положения в заданную позицию. При этом обеспечивается перетекание жидкости по направлениям Р-А и В-Т или Р-В и А-Т.

При обесточенном магните золотник пружиной перемещается в исходное положение.

Остались вопросы? Напишите нам!

Пожалуйста, заполните поля формы,
чтобы наши специалисты могли
связаться с вами

Оставить заявку
Гидравлическая аппаратура для распределения и управления потоками. Классификация.
Подробнее
Гидрораспределитель. Назначение, основные характеристики. Секционный вид распределителя и его состав.
Подробнее
Масса (без рабочей жидкости) в сравнении: ВЕХ10 не более 3,7кг < ВМР10 не более 3,8кг ВММ10 не более 4кг ВЕ10 не более 6,1кг.
Подробнее
Используя данный сайт, Вы соглашаетесь с условиями пользовательского соглашения и даёте разрешение на использование файлов куки(cookies).