ГАРАНТИИ ПРОИЗВОДИТЕЛЕЙ Доставка до ТК - бесплатно! Подбор гидрораспределителя - бесплатно!
РХ10 84 В220 Гидрораспределитель золотниковый РХ10 84 В220 (Болгария) в наличии в ГидроМаш в Челябинске с гарантией производителя. Технические характеристики, цены. Подбор бесплатно. РХ10 84 В220 РХ10 84 В220
Поделиться:

РХ10 84 В220

Гидравлический распределитель с электромагнитным управлением РХ10 84 В220 производства Болгарии являются аналогами ВЕ10 отечесвенных производителей.

 

  • золотниковый
  • электрическое и электрогидравлическое управление
  • 220 В переменного тока (в других исполнениях на 110 и на 24 В постоянного тока)
  • пуска и останова рабочей жидкости
  • изменение направления движения масла в гидравлических системах
  • пилот с пружинным возвратом
  • минеральные масла с кинетической вязкостью от 10 до 400 мм²/с с номинальной тонкостью
  • фильтрации не грубее 25 мкм.
  • Без регулирования времени переключения
  • температура окружающей среды от -40 до +50°С

Область применения: станки, пресса, системы и устройства и автоматическим и полуавтоматическим циклом работы (ГАП, манипуляторы, станки с ЧПУ) и другие машины.

Цену уточняйте по номеру телефона
+7 (351) 200-22-88 или оставьте ваши контакты и мы вам перезвоним

Технические характеристики РХ10 84 В220

Наименование характеристики Значение
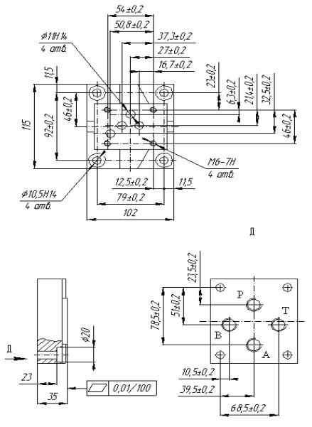
Условный проход 10 мм
Схема открывания-закрывания рабочих каналов 84
Напряжение 220 вольта
Тип управления золотником двухстороннее электромагнитное, пружинный возврат в исходное положение
Время срабатывания с электрическим/гидравлическим  управлением 0,06/0,06 с
Расход масла 25...40л/мин
Номинальное давление на входе 32 МПа
Давление в сливной линии не более 15 МПа
Давление управления 0,8...6 МПа

 

Устройство, принцип работы гидрораспределителей РХ 10 84

Конструкция гидрораспределителя всех видов управления принципиально одинаковая:

корпус,
магнит
катушка со стороны канала А или со стороны канала В,
золотник,
возвратные пружины.

Принцип работы распределителей гидрожидкости, предлагаемых в нашей товарной карте

РХ06 574 В220

РХ06 574 ОФ В220

РХ06 14 В220

РХ06 24 В220

РХ06 34 В220

РХ06 44 В220

РХ06 64 В220

РХ10 573 В220

РХ10 574 В220

РХ10 574 ОФ В220

РХ10 14 В220

РХ10 24 В220

РХ10 34 В220

РХ10 44 В220

РХ10 64 В220

РХ10 74 В220

РХ10 84 В220

РХ10 94 В220

принципиально схож.

При отсутствии управляющего сигнала золотник удерживается пружиной в среднем или в исходном положении (кроме импульсного золотника). Переключение золотника осуществляется от заполненного маслом магнита.

Магнит через толкатель перемещает управляющий золотник из исходного положения в заданную позицию.

При этом обеспечивается перетекание жидкости по направлениям Р-А и В-Т или Р-В и А-Т. При обесточенном магните золотник пружиной перемещается в исходное положение.

Остались вопросы? Напишите нам!

Пожалуйста, заполните поля формы,
чтобы наши специалисты могли
связаться с вами

Оставить заявку
Гидравлическая аппаратура для распределения и управления потоками. Классификация.
Подробнее
Гидрораспределитель. Назначение, основные характеристики. Секционный вид распределителя и его состав.
Подробнее
Масса (без рабочей жидкости) в сравнении: ВЕХ10 не более 3,7кг < ВМР10 не более 3,8кг ВММ10 не более 4кг ВЕ10 не более 6,1кг.
Подробнее
Используя данный сайт, Вы соглашаетесь с условиями пользовательского соглашения и даёте разрешение на использование файлов куки(cookies).