ГАРАНТИИ ПРОИЗВОДИТЕЛЕЙ Доставка до ТК - бесплатно! Подбор гидрораспределителя - бесплатно!
ВЕ 6 574 В220 Гидравлический распределитель с односторонним электромагнитным управлением ВЕ6 574 В220 в каталоге ГидроМаш с гарантией производителя. Подбор бесплатно. Теххарактеристики. Доставка до ТК - бесплатно. ВЕ 6 574 В220 ВЕ 6 574 В220
Поделиться:

ВЕ 6 574 В220

  • с односторонним электромагнитным управлением
  • электромагнит находится со стороны канала А
  • исполнение на 220 В переменного тока

 

Применяется в гидроагрегатах прессов, токарных, фрезерных, литьевых станков и в составе других гидроагрегатов и комплексов.

 

Цену уточняйте по номеру телефона
+7 (351) 200-22-88 или оставьте ваши контакты и мы вам перезвоним

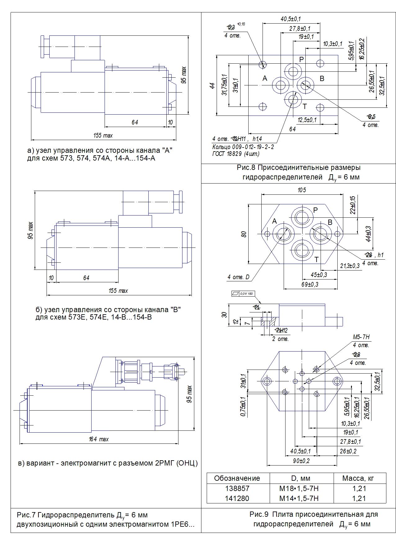
Гидрораспределитель с электромагнитным управлением ВЕ 6 574 В220: технические характеристики

Наименование характеристики Значение
Условный проход 6 мм
Гидросхема 574
Напряжение 110 или 220 вольта переменного тока, 24 В пост. тока
макс. расход рабочей жидкости 60-80 л/мин
Номинальное давление на входе 32 МПа
Максимальное давление на выходе 6 МПа
Масса Не более 1,45 кг

 

Устройство ВЕ6 

  • корпус
  • электромагнит (один или два)
  • каналы, с помощью которых подключаются гидролинии
  • золотник
  • возвратные пружины

 

Работа гидрораспределителя ВЕ 6 574

Смещение золотника его в одну из рабочих позиций производится одним из электромагнитов с помощью толкателя.

Возврат золотника в среднюю позицию пружинами происходит в результате отключения электромагнитов.

Кнопки служат для подключения магнитов к электросистеме при наладке и в случае аварийной ситуации. В стандартных условиях магниты подключаются штепсельным разъемом.

Выбирайте гидравлический аппарат и заказывайте счет из перечня:

6мм 

ВЕ6 574А 220В, ВЕ6 574Е 220В, ВЕ6 574 220В, ВЕ6 573 220В, ВЕ6 64 220В, ВЕ6 64А 220В, ВЕ6 34 220В, ВЕ6 44 220В, ВЕ6 14 220В, ВЕ6 24 220В, ВЕ6 574 ОФ 220В;

10мм

ВЕ 10 24 В220В, ВЕ 10 34 220В, ВЕ10 44 220В, ВЕ10 574 220В, ВЕ10 574А 220В, ВЕ 10 574 ОФ В220, ВЕ10 573 220В, ВЕ10 14 220В, ВЕ10 64 220В, ВЕ10 74 220В, ВЕ10 84 220В, ВЕ10 94 220В, ВЕ10 65 Г24.

 

Подбор гидрораспределителя осуществляется БЕСПЛАТНО!

За консультацией обращайтесь через форму на сайте или по тел. +7 (351) 2002288.

 

Остались вопросы? Напишите нам!

Пожалуйста, заполните поля формы,
чтобы наши специалисты могли
связаться с вами

Оставить заявку
Гидравлическая аппаратура для распределения и управления потоками. Классификация.
Подробнее
Гидрораспределитель. Назначение, основные характеристики. Секционный вид распределителя и его состав.
Подробнее
Масса (без рабочей жидкости) в сравнении: ВЕХ10 не более 3,7кг < ВМР10 не более 3,8кг ВММ10 не более 4кг ВЕ10 не более 6,1кг.
Подробнее
Используя данный сайт, Вы соглашаетесь с условиями пользовательского соглашения и даёте разрешение на использование файлов куки(cookies).