Технические характеристики щелевых фильтров
|
Типоразмер |
Номинальная тонкость фильтрации, мкм |
Условный проход, мм |
Номинальный расход, л/мин |
Вес, кг., не более |
Номинальный перепад давления, Мпа |
Максимальный перепад давления, МПа |
|
Исполнение 1 |
0,09 |
1,0 |
||||
|
10-80-1 |
80 |
10 |
10 |
2,72 |
||
|
16-80-1 |
16 |
16 |
2,96 |
|||
|
25-80-1 |
16 |
25 |
6,30 |
|||
|
40-80-1 |
20 |
40 |
7,25 |
|||
|
12,5-125-1к |
125 |
16 |
12,5 |
3 |
||
|
16-125-1 |
125 |
10 |
16 |
2,72 |
||
|
25-125-1 |
16 |
25 |
2,96 |
|||
|
40-125-1 |
16 |
40 |
6,30 |
|||
|
63-125-1 |
20 |
63 |
7,25 |
|||
|
Исполнение 2 |
||||||
|
10-80-2 |
80 |
10 |
10 |
1,56 |
||
|
16-80-2 |
16 |
16 |
1,64 |
|||
|
25-80-2 |
16 |
25 |
3,19 |
|||
|
40-80-2 |
20 |
40 |
3,64 |
|||
|
16-125-2 |
125 |
10 |
16 |
1,56 |
||
|
25-125-2 |
16 |
25 |
1,64 |
|||
|
40-125-2 |
16 |
40 |
3,19 |
|||
|
63-125-2 |
20 |
63 |
3,64 |
|||
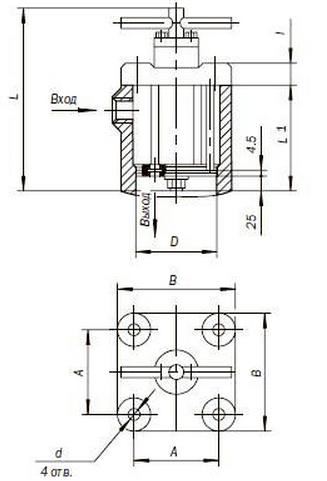
Устройство щелевых фильтров
Фильтр представляет собой стакан, закрытый крышкой.
Ось расположенная внутри стакана центрируется в крышке. На ней закреплён фильтрующий пакет. Рукояткой, установленной на внешнем конце оси фильтра, фильтрующий пакет вручную поворачивается в процессе очистки масла.







