Технические характеристики
| Наименование характеристики | Значение |
| Ном. тонкость фильтрации, мкм | 125 |
| Условный проход, мм | 20 |
| Ном. расход, л/мин | 63 |
| Масса, кг., не более | 3,64 |
| Ном. перепад давления, Мпа | 0,09 |
| Макс. перепад давления, МПа | 1 |
| Наименование характеристики | Значение |
| Ном. тонкость фильтрации, мкм | 125 |
| Условный проход, мм | 20 |
| Ном. расход, л/мин | 63 |
| Масса, кг., не более | 3,64 |
| Ном. перепад давления, Мпа | 0,09 |
| Макс. перепад давления, МПа | 1 |
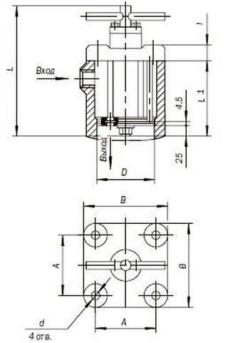
Устройство щелевых фильтров
Фильтр представляет собой стакан, закрытый крышкой.
Ось расположенная внутри стакана центрируется в крышке. На ней закреплён фильтрующий пакет. Рукояткой, установленной на внешнем конце оси фильтра, фильтрующий пакет вручную поворачивается в процессе очистки масла.
63-125-2
Остались вопросы? Напишите нам!
Пожалуйста, заполните поля формы,
чтобы наши специалисты могли
связаться с вами
Пожалуйста, заполните поля формы,
чтобы наши специалисты могли
связаться с вами
Остались вопросы? Напишите нам!
Пожалуйста, заполните поля формы,
чтобы наши специалисты могли
связаться с вами







