ГАРАНТИИ ПРОИЗВОДИТЕЛЕЙ Доставка до ТК - бесплатно! Подбор гидрораспределителя - бесплатно!
БГ52-23 Гидроклапан предохранительно-переливной БГ52-23 в наличии в ТД УралГидроМаш в Челябинске с гарантией производителя. Характеристики, цены. Доставка до ТК - бесплатно! БГ52-23 БГ52-23
Поделиться:

БГ52-23

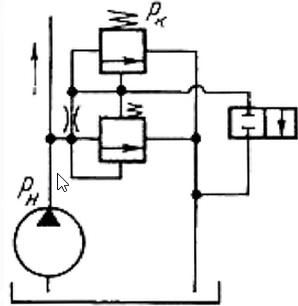
Гидроклапаны предохранительно-переливные БГ52-23 предназначены для использования в гидросистемах станков и др. гидрофицированных машин в качестве клапана:

  • разности давлений для поддержания заданной разности давлений, определяемой настройкой пружины, в подводимом и отводимом потоках рабочей жидкости или в одном из этих потоков и постороннем потоке;
  • последовательности для пропускания потока рабочей жидкости при достижении заданной величины давления, определяемой настройкой пружины в этом потоке или управляющем (дистанционное управление);
  • предохранительного для предохранения объемного гидропривода от давления, превышающего установленное;
  • переливного  для поддержания заданного давления путем непрерывного слива рабочей жидкости во время работы.

Исполнения по присоединению:

  • П - стыковое;
  • без буквы - трубное.

Параметры БГ52-23

  • Диаметр условного прохода - 16 мм
  • Диапазон регулирования давления - 1,0-10,0 МПа
  • Расход рабочей жидкости номинальный 3-40 л/мин
  • Резьбовое 1/2"
Цену уточняйте по номеру телефона
+7 (351) 200-22-88 или оставьте ваши контакты и мы вам перезвоним
Наименование Ду, мм Q, л/мин P, Мпа Вес
Г 52-22 10 1÷20 0,3÷6,3 2,5
АГ 52-22 10 1÷20 1÷10 2,5
БГ 52-22 10 1÷20 2÷20 2,5
ПГ 52-22 10 1÷20 0,3÷6,3 2,5
АПГ 52-22 10 1÷20 1÷10 2,5
БПГ 52-22 10 1÷20 2÷20 2,5
Г 52-23 16 3÷40 0,3÷6,3 4,6
АГ 52-23 16 3÷40 1÷10 4,6
БГ 52-23 16 3÷40 1÷10 4,6

Клапаны БГ52-23 работают на чистом минеральном масле вязкостью 18-60 мм²/сек при t масла до 50°С.

Рекомендуется применять масло индустриальное 20 или 30 (ГОСТ 1707-51).

Присоединительные и габаритные размеры Г52-2

Присоединительные и габаритные размеры Г52-2

Типоразмеры Dy d по ГОСТ 6111-52 L B b H h h1 h2
Г52-22 10 К⅜" 64 66 29 180 113 31 49
Г52-23 16 К½" 96 82 34 200 132 37 62
Г52-24 20 К¾" 96 82 34 200 132 37 62
Г52-25 32 К1¼" 120 100 40 240 172 47 91

 

 

 

 

 

Остались вопросы? Напишите нам!

Пожалуйста, заполните поля формы,
чтобы наши специалисты могли
связаться с вами

Оставить заявку
Особенности применения клапанов давления в станкостроении.
Подробнее
Клапаны давления. Определение, классификация, особенности применения.
Подробнее
Гидравлическая аппаратура для распределения и управления потоками. Классификация.
Подробнее
Используя данный сайт, Вы соглашаетесь с условиями пользовательского соглашения и даёте разрешение на использование файлов куки(cookies).