Г52-24: параметры
- Диаметр условного прохода - 20 мм
- Диапазон регулирования давления - 0,3-6,3 МПа
- Расход рабочей жидкости номинальный 3-80 л/мин
- Резьбовое 3/4"
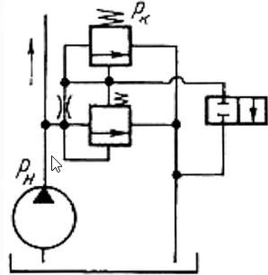
Гидроклапаны предохранительно-переливные Г52-24 предназначены для использования в гидросистемах станков и других гидрофицированных машин качестве клапана:
Исполнения по присоединению:
Клапаны Г52-24 работают на чистом минеральном масле вязкостью 18-60 мм²/сек при t масла до 50°С.
Рекомендуется применять масло индустриальное 20 или 30 (ГОСТ 1707-51).

| Типоразмеры | Dy | d по ГОСТ 6111-52 | L | B | b | H | h | h1 | h2 |
| Г52-22 | 10 | К⅜" | 64 | 66 | 29 | 180 | 113 | 31 | 49 |
| Г52-23 | 16 | К½" | 96 | 82 | 34 | 200 | 132 | 37 | 62 |
| Г52-24 | 20 | К¾" | 96 | 82 | 34 | 200 | 132 | 37 | 62 |
| Г52-25 | 32 | К1¼" | 120 | 100 | 40 | 240 | 172 | 47 | 91 |
Остались вопросы? Напишите нам!
Пожалуйста, заполните поля формы,
чтобы наши специалисты могли
связаться с вами
Пожалуйста, заполните поля формы,
чтобы наши специалисты могли
связаться с вами
Остались вопросы? Напишите нам!
Пожалуйста, заполните поля формы,
чтобы наши специалисты могли
связаться с вами







