ГАРАНТИИ ПРОИЗВОДИТЕЛЕЙ Доставка до ТК - бесплатно! Подбор гидрораспределителя - бесплатно!
4WE6D OF 220V Гидрораспределитель электромагнитный золотниковый 4WE6D OF 220V в наличии в ТД УралГидроМаш в Челябинске с гарантией производителя. Технические характеристики, цены. Доставка до ТК - бесплатно! 4WE6D OF 220V 4WE6D OF 220V
Поделиться:

4WE6D OF 220V

  • Четырёхлинейный гидрораспределитель
  • Золотниковый
  • Тип управления - электромагнитное
  • Электромагниты постоянного или переменного тока работают в масле

Электрогидравлическое управление осуществляется пилотом, который изменяет давление в полостях с пружинами, расположенных в торцах основного клапана.

Каналы управления обозначаются: X - подвод и Y - отвод.

Цену уточняйте по номеру телефона
+7 (351) 200-22-88 или оставьте ваши контакты и мы вам перезвоним

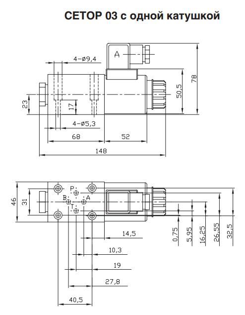
Гидрораспределитель электромагнитный 4WE6D, технические характеристики

Наименование характеристики Значение
Число основных гидролиний 4
Диаметр условного прохода 6 мм
Золотник 2-х,3-х позиционные
Способ установки золотника пружинный возврат, фиксация во всех позициях
Расход жидкости (пропускная способность) 80 л/мин
Схема распределения потока рабочей жидкости D
Схема по ГОСТ 574А.ОФ
Стандарт CETOP 03

 

Гидрораспределитель 4WE6D OF - устройство и принцип работы

Свойство электромагнитных катушек втягивать сердечник при подаче напряжения использовано в работе гидрораспределителей с электромагнитным управлением.

Золотник распределителя под воздействием возвратной пружины находится в крайнем левом положении на этапе отсутствии управляющего воздействия.

Следующим актом через штепсельный разъем подаётся напряжение на электромагнит, якорь или сердечник втягивается в него и смещает золотник в крайнюю позицию через запрессованный в него толкатель .

В итоге, направление движения масла в гидравлической системе изменяется.

Подробно смотрите здесь устройство гидрораспределителей золотниковых с электромагнитным управлением типов 4WE, 4WEH, 4WW, 4WMM, перечисленных ниже.

4WE6A 220V, 4WE6C 220V, 4WE6J 220V, 4WE6E 220V, 4WE6G 220V, 4WE6D OF 220V,

4WMM6А, 4WMM6A\F, 4WMM6H, 4WMM6H\F, 4WMM6J, 4WMM6J/F, 4WMM6E, 4WMM6E/F, 4WMM6G, 4WMM6G/F,

4WE10A 220V, 4WE10C 220V, 4WE10H 220V, 4WE10M 220V, 4WE10J 220V, 4WE10E 220V, 4WE10G 220V, 4WE10L 220V, 4WE10Q 220V, 4WE10R 220V,

4WW10C3X, 4WW10H3X, 4WW10M3X, 4WW10J3X, 4WW10E3X, 4WW10G3X,

WEH16C, WEH16H, WEH16M, WEH16J, WEH16E, WEH16G

Напоминаем! Эффективная фильтрация предотвращает возникновение неисправностей и одновременно повышает срок службы компонентов. Соблюдайте указанные классы чистоты компонентов.

За консультацией обращайтесь по т. +7 (351) 200 22 88, через форму на сайте.

 

Остались вопросы? Напишите нам!

Пожалуйста, заполните поля формы,
чтобы наши специалисты могли
связаться с вами

Оставить заявку
Гидравлическая аппаратура для распределения и управления потоками. Классификация.
Подробнее
Гидрораспределитель. Назначение, основные характеристики. Секционный вид распределителя и его состав.
Подробнее
Масса (без рабочей жидкости) в сравнении: ВЕХ10 не более 3,7кг < ВМР10 не более 3,8кг ВММ10 не более 4кг ВЕ10 не более 6,1кг.
Подробнее
Используя данный сайт, Вы соглашаетесь с условиями пользовательского соглашения и даёте разрешение на использование файлов куки(cookies).