Подробно смотрите здесь устройство гидрораспределителей золотниковых с электромагнитным управлением типов 4WE, 4WEH, с ручным управлением 4WW, 4WMM, перечисленных ниже.
4WE6A 220V, 4WE6C 220V, 4WE6J 220V, 4WE6E 220V, 4WE6G 220V, 4WE6D OF 220V,
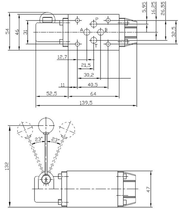
4WMM6А, 4WMM6A\F, 4WMM6H, 4WMM6H\F, 4WMM6J, 4WMM6J/F, 4WMM6E, 4WMM6E/F, 4WMM6G, 4WMM6G/F,
4WE10A 220V, 4WE10C 220V, 4WE10H 220V, 4WE10M 220V, 4WE10J 220V, 4WE10E 220V, 4WE10G 220V, 4WE10L 220V, 4WE10Q 220V, 4WE10R 220V,
4WW10C3X, 4WW10H3X, 4WW10M3X, 4WW10J3X, 4WW10E3X, 4WW10G3X,
WEH16C, WEH16H, WEH16M, WEH16J, WEH16E, WEH16G
Напоминаем! Эффективная фильтрация предотвращает возникновение неисправностей и одновременно повышает срок службы компонентов. Соблюдайте классы чистоты компонентов.
За консультацией обращайтесь по т. +7 (351) 200 22 88 или через форму на сайте.







