ГАРАНТИИ ПРОИЗВОДИТЕЛЕЙ Доставка до ТК - бесплатно! Подбор гидрораспределителя - бесплатно!
ВММ 6 14Ф Гидрораспределитель с ручным управлением ВММ 6 14Ф купить по цене производителя в каталоге ГидроМаш с гарантией производителя. Подбор бесплатно. Теххарактеристики, цены. Доставка до ТК - бесплатно. ВММ 6 14Ф ВММ 6 14Ф
Поделиться:

ВММ 6 14Ф

  • золотниковый гидрораспределитель
  • работает от ручного управления - положение золотника управляется движением руки
  • золотник имеет три положения при управлении
  • Ду = 6мм

Гидрораспределитель ВММ6.14 - устаревший аналог 1РММ6.14

Предназначен для изменения направления или пуска и остановки потока рабочей жидкости в гидравлических линиях, машинах, оборудовании.

 

Цену уточняйте по номеру телефона
+7 (351) 200-22-88 или оставьте ваши контакты и мы вам перезвоним

Ручной гидрораспределитель ВММ6 14Ф: технические характеристики 

Наименование характеристики Значение
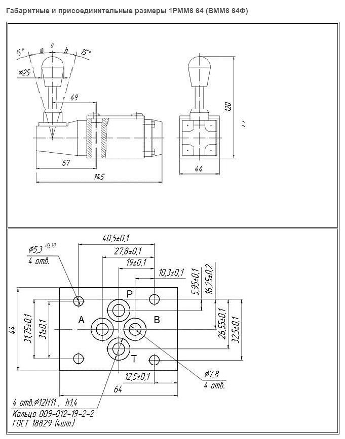
Условный проход 6 мм
Гидросхема (схема распределения потока) 14
Расход рабочей жидкости 20-25 л/мин
Номинальное давление на входе 32 МПа
Максимальное давление на выходе 10 МПа
Максимальное давление управления 0,6-6,0 МПа
Продолжительность включения при давлении 32 МПа 10 мин
С фиксацией золотника в среднем положении (обозначение Ф)
Для районов с умеренным климатом

Применение: станки, гидравлические прессы, системы и устройства с автоматическим и полуавтоматичеким циклом работы (ГАП, манипуляторы, станки с ЧПУ) работающих при t -20...+70ºС.

Также используется в дорожно-транспортных, сельскохоз и других машинах.

Устройство: гидрораспределитель ВММ6 14Ф

  • корпус
  • электромагнит (один или два)
  • каналы, с помощью которых подключаются гидролинии
  • золотник
  • шариковый пружинный фиксатор

Работа гидравлического распределителя ВММ6

Смещение золотника его в одну из рабочих позиций производится одним из электромагнитов с помощью толкателя.

Возврат золотника в среднюю позицию пружинами происходит в результате отключения электромагнитов.

Кнопки служат для подключения магнитов к электросистеме при наладке и в случае аварийной ситуации. В стандартных условиях магниты подключаются штепсельным разъемом. 

Гидравлические распределители ВММ представлены в нашей товарной карте 15 наименований:

ВММ10 14Ф
ВММ10 14
ВММ10 34Ф
ВММ10 34
ВММ10 44Ф
ВММ10 44
ВММ10 64Ф
ВММ10 64
ВММ10 574


ВММ6 14Ф
ВММ6 14
ВММ6 24Ф
ВММ6 24
ВММ6 34Ф
ВММ6 34
ВММ6 44Ф
ВММ6 44
ВММ6 64Ф
ВММ6 64
ВММ6 573Ф
ВММ6 573
ВММ6 574Ф
ВММ6 574
ВМР(1РМР)10 574А

и являются устаревшими, в настоящее время рекомендуем использовать их аналоги - 1РММ6 и 1РММ10 соответственно.

Подбор гидрораспределителя осуществляется БЕСПЛАТНО!

За консультацией обращайтесь через форму на сайте или по тел. +7 (351) 2002288.

 

 

Остались вопросы? Напишите нам!

Пожалуйста, заполните поля формы,
чтобы наши специалисты могли
связаться с вами

Оставить заявку
Гидравлическая аппаратура для распределения и управления потоками. Классификация.
Подробнее
Гидрораспределитель. Назначение, основные характеристики. Секционный вид распределителя и его состав.
Подробнее
Масса (без рабочей жидкости) в сравнении: ВЕХ10 не более 3,7кг < ВМР10 не более 3,8кг ВММ10 не более 4кг ВЕ10 не более 6,1кг.
Подробнее
Используя данный сайт, Вы соглашаетесь с условиями пользовательского соглашения и даёте разрешение на использование файлов куки(cookies).