ГАРАНТИИ ПРОИЗВОДИТЕЛЕЙ Доставка до ТК - бесплатно! Подбор гидрораспределителя - бесплатно!
KV-4/3-5KO-6-G3 Гидрораспределитель золотниковый электромагнитный Kladivar KV-4/3-5KO-6-G3. Устройство, принцип действия, технические характеристики. Отгрузка. Рассчитать доставку. KV-4/3-5KO-6-G3 KV-4/3-5KO-6-G3
Поделиться:

KV-4/3-5KO-6-G3

  • Гидрораспределители золотниковые
  • Четырёхлинейные трёхпозиционные (4/3)
  • С непосредственным управлением от электромагнита
  • Изменяют направление потока рабочей жидкости
  • Снабжён кнопкой ручного управления
  1. KV-4/3-5K0-6-1 (110AC, 230AC)
  2. KV-4/3-5K0-6-2 (110AC, 230AC)
  3. KV-4/3-5K0-6-3 (110AC, 230AC)
  4. KV-4/2-5K0-6-4 (110AC, 230AC)
  5. KV-4/3-5K0-6-6 (110AC, 230AC)
  6. KV-4/3-5K0-10-1 (110AC,230AC)
  7. KV-4/3-5K0-10-2 (110AC,230AC)
  8. KV-4/3-5K0-10-3 (110AC,230AC)
  9. KV-4/2-5K0-10-6 (110AC,230AC)

 

 

Цену уточняйте по номеру телефона
+7 (351) 200-22-88 или оставьте ваши контакты и мы вам перезвоним

Гидрораспределитель KV-4/3-5KO-6-G3: технические характеристики

Наименование характеристики Значение
Максимальное рабочее давление:

Отверстия: P-A-B
Отверстие: T



бар
Пост. ток Перем. ток
350
210
350
210
Максимальный расход л/мин 75 75
Рабочая жидкость Рабочая жидкость на минеральной основе (HL, HLP) согласно DIN 51524; VDMA 24568; HETG; HEPG
Диапазон температур рабочей жидкости ºС -20 ... +70
Температура окружающей среды ºС до +50
Диапазон вязкостей жидкости мм²/с 15 ...380
Частота переключений 1/ч 15000
Загрязнённость жидкости класс 8 по NAS 1638
Время выдерживания в переключенном состоянии длительное
(t катушки до +180 °С)
Масса 4/3 кг 2,7
Масса 4/2 кг 1,9

 

Строение KV-4/3-5KO-6-G3

  • корпус (1)4;
  • золотник управления (3);
  • один или два электромагнита (2) с возвратными пружинами (4).

Структура условного обозначения 

Посмотрим как строится условное обозначение распределителя, например,

KV-4/3-5KO-6-1 230AC L

KV - гидрораспределители производства Kladivar

4 - четырёхлинейный.

Количество позиций:


3 - трёхпозиционный;
2 - двухпозиционный.

5KO - модель (серия)

6 - типоразмер Ду=6 (DIN NG6 / CETOP 03 / NFPA D03)

 

 1  1A  1B  51А  81
 2  2А  2В  41А  
3 51В  
6 41В  

Управляющее напряжение электромагнита:

  • без обозначения = постоянный ток 24 В
  • 12DC = постоянный ток 12 В
  • 110AC = переменный ток 110 В (50/60 Гц)
  • 230AC = переменный ток 230 В (50/60 Гц)

Электроразъём:

  • без обозначения = без контрольной лампочки;
  • L = с контрольной лампочкой.

Уточнения:

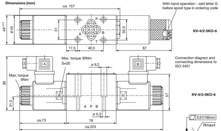
Присоединительные размеры по ISO 4401, DIN 24340, штепсельный разъём для электромагнитов соответствует ISO 4400.

Если распределитель снабжён кнопкой ручного управления, в коде заказа перед типом золотника необходимо указать параметр G.

Схемы гидравлические, чертежи габаритных и присоединительных размеров смотрите ниже в галерее изображений.

 

Продукция в наличии.

Цену уточняйте у консультанта онлайн, по электронной почте 82002288@mail.ru или

по тел. +7 (351) 200-22-88.

Звоните!

 

Остались вопросы? Напишите нам!

Пожалуйста, заполните поля формы,
чтобы наши специалисты могли
связаться с вами

Оставить заявку
Гидравлическая аппаратура для распределения и управления потоками. Классификация.
Подробнее
Гидрораспределитель. Назначение, основные характеристики. Секционный вид распределителя и его состав.
Подробнее
Масса (без рабочей жидкости) в сравнении: ВЕХ10 не более 3,7кг < ВМР10 не более 3,8кг ВММ10 не более 4кг ВЕ10 не более 6,1кг.
Подробнее
Используя данный сайт, Вы соглашаетесь с условиями пользовательского соглашения и даёте разрешение на использование файлов куки(cookies).