ГАРАНТИИ ПРОИЗВОДИТЕЛЕЙ Доставка до ТК - бесплатно! Подбор гидрораспределителя - бесплатно!
KV-4/3-5KO-6-G6 Гидрораспределитель золотниковый электромагнитный Kladivar KV-4/3-5KO-6-G6 купить по цене производителя. Устройство, принцип действия, технические характеристики. Отгрузка. Рассчитать доставку. KV-4/3-5KO-6-G6 KV-4/3-5KO-6-G6
Поделиться:

KV-4/3-5KO-6-G6

  • Гидрораспределители золотниковые
  • Четырёхлинейные трёхпозиционные (4/3)
  • С непосредственным управлением от электромагнита
  • Изменяют направление потока рабочей жидкости
  • Снабжён кнопкой ручного управления
  1. KV-4/3-5K0-6-1 (110AC, 230AC)
  2. KV-4/3-5K0-6-2 (110AC, 230AC)
  3. KV-4/3-5K0-6-3 (110AC, 230AC)
  4. KV-4/2-5K0-6-4 (110AC, 230AC)
  5. KV-4/3-5K0-6-6 (110AC, 230AC)
  6. KV-4/3-5K0-10-1 (110AC,230AC)
  7. KV-4/3-5K0-10-2 (110AC,230AC)
  8. KV-4/3-5K0-10-3 (110AC,230AC)
  9. KV-4/2-5K0-10-6 (110AC,230AC)

 

 

Цену уточняйте по номеру телефона
+7 (351) 200-22-88 или оставьте ваши контакты и мы вам перезвоним

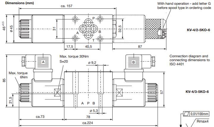
Технические характеристики KV 4/3-5KO-6-G6

Наименование характеристики Значение
Максимальное рабочее давление:

Отверстия: P-A-B
Отверстие: T



бар
Пост. ток Перем. ток
350
210
350
210
Максимальный расход л/мин 75 75
Рабочая жидкость Рабочая жидкость на минеральной основе (HL, HLP) согласно DIN 51524; VDMA 24568; HETG; HEPG
Диапазон температур рабочей жидкости ºС -20 ... +70
Температура окружающей среды ºС до +50
Диапазон вязкостей жидкости мм²/с 15 ...380
Частота переключений 1/ч 15000
Загрязнённость жидкости класс 8 по NAS 1638
Время выдерживания в переключенном состоянии длительное
(t катушки до +180 °С)
Масса 4/3 кг 2,7
Масса 4/2 кг 1,9

Строение гидрораспределителя KV-4/3-5KO-6-G6

корпус (1)
золотник управления (3)
один или два электромагнита (2) с возвратными пружинами (4)

 

Структура условного обозначения 

Посмотрим как строится условное обозначение распределителя, например, KV-4/3-5KO-6-1 230AC L

KV - гидрораспределители производства Kladivar

4 - четырёхлинейный.

Количество позиций:


3 - трёхпозиционный гидрораспределитель;
2 - двухпозиционный гидрораспределитель

5KO - модель (серия)

6 - типоразмер Ду=6 (DIN NG6 / CETOP 03 / NFPA D03)

Тип золотника (см. гидросхемы ниже):

 

 1  1A  1B  51А  81
 2  2А  2В  41А  
3 51В  
6 41В  

Управляющее напряжение электромагнита:

  • без обозначения = постоянный ток 24 В
  • 12DC = постоянный ток 12 В
  • 110AC = переменный ток 110 В (50/60 Гц)
  • 230AC = переменный ток 230 В (50/60 Гц)

Электроразъём:

  • без обозначения = без контрольной лампочки
  • L = с контрольной лампочкой.

Уточнения:

  1. Присоединительные размеры по ISO 4401, DIN 24340, штепсельный разъём для электромагнитов соответствует ISO 4400.
  2. Если гидрораспределитель снабжён кнопкой ручного управления, в коде заказа перед типом золотника необходимо указать параметр G.

 

Схемы гидравлические, чертежи смотрите в галерее изображений.

 

Пожалуйста, уточняйте цену на электромагнитный распределитель KV-4/3-5KO-6-G6 у консультанта онлайн, по электронной почте: 82002288@mail.ru или по тел. + 7 (351) 200 22 88.

Продукция в наличии. Звоните!

 

 

Остались вопросы? Напишите нам!

Пожалуйста, заполните поля формы,
чтобы наши специалисты могли
связаться с вами

Оставить заявку
Гидравлическая аппаратура для распределения и управления потоками. Классификация.
Подробнее
Гидрораспределитель. Назначение, основные характеристики. Секционный вид распределителя и его состав.
Подробнее
Масса (без рабочей жидкости) в сравнении: ВЕХ10 не более 3,7кг < ВМР10 не более 3,8кг ВММ10 не более 4кг ВЕ10 не более 6,1кг.
Подробнее
Используя данный сайт, Вы соглашаетесь с условиями пользовательского соглашения и даёте разрешение на использование файлов куки(cookies).