Технические характеристики
| Наименование характеристики | Значение |
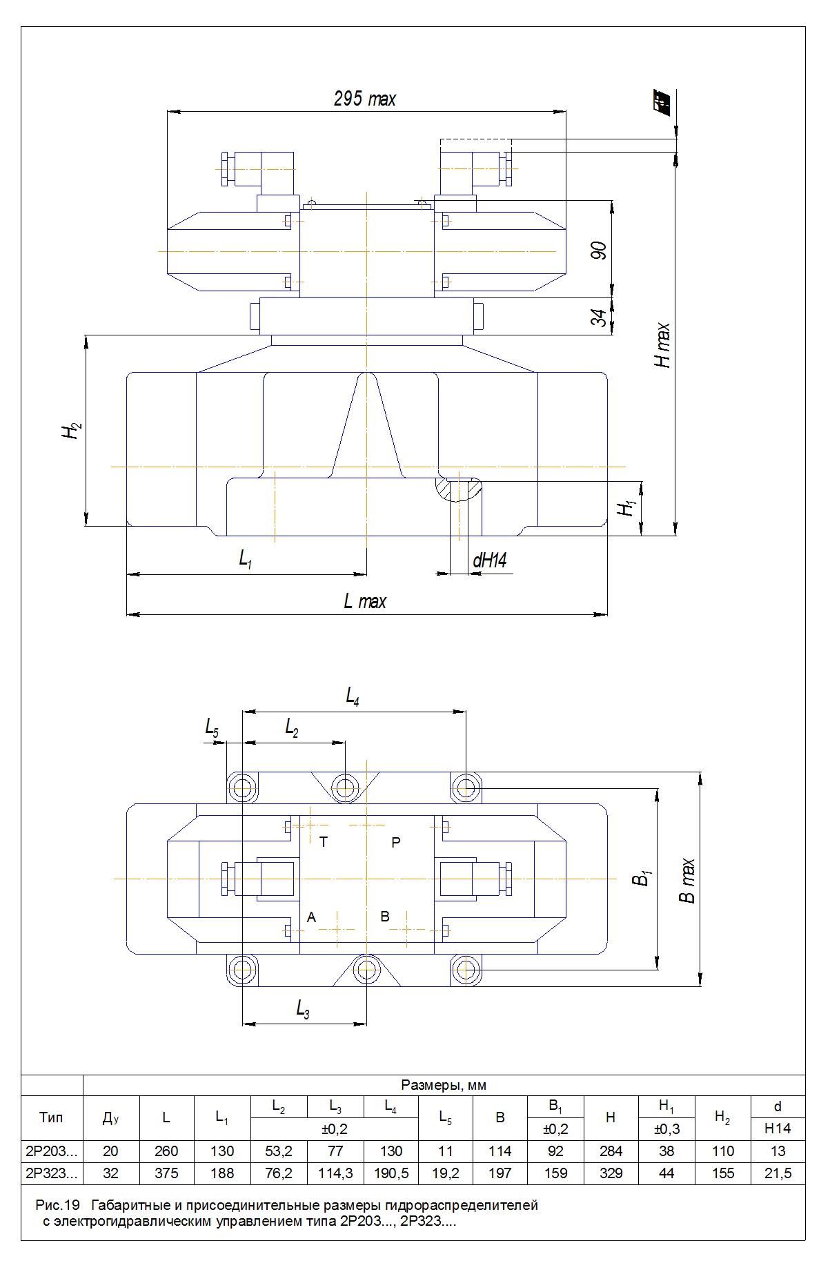
| Условный проход | 32 мм |
| Гидравлическая схема | 14 |
| Электромагнитный пилот Ду | 6мм с двумя электромагнитами |
| Количество электромагнитов | 2 |
| С электромагнитами | переменного тока напряжением 220В |
|
Возврат золотника |
Пружинный |
|
Подвод |
от независимого потока, слив независимый |
|
Расход рабочей жидкости ном. |
500 л/мин |
|
Давление на входе ном. |
32 МПа |







