ГАРАНТИИ ПРОИЗВОДИТЕЛЕЙ Доставка до ТК - бесплатно! Подбор гидрораспределителя - бесплатно!
Гидрораспределитель 1Р323 АЛ 54 В220 Гидрораспределитель золотниковый с электрогидравлическим управлением 1Р323 АЛ 54 В220 в ТД УралГидроМаш в Челябинске с гарантией производителя. Подбор бесплатно. Схемы подключения. Цена 35000 рублей. Гидрораспределитель 1Р323 АЛ 54 В220 Гидрораспределитель 1Р323 АЛ 54 В220
Поделиться:

Гидрораспределитель 1Р323 АЛ 54 В220

  • золотниковый гидрораспределитель
  • с электрогидравлическим управлением
    Применяются в гидроприводах станков, прессов, литейных и литьевых машин, мобильной техники и другого гидрофицированного оборудования.

Предназначены для изменения направления или пуска и остановки потока рабочей жидкости в гидросистемах.

Используются в горнодобывающей и перерабатывающей технике, в мобильных установках для управления гидравлическими потоками в гидросистемах.

Цену уточняйте по номеру телефона
+7 (351) 200-22-88 или оставьте ваши контакты и мы вам перезвоним

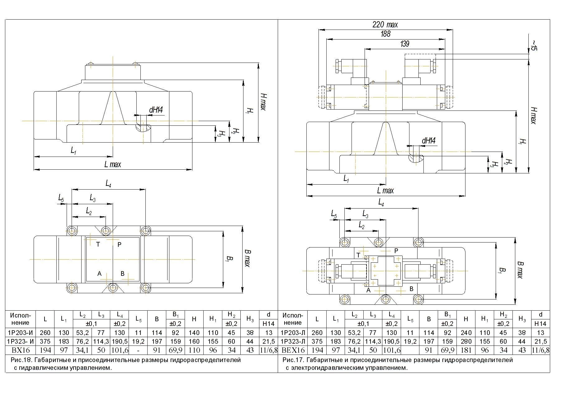
Технические характеристики

Наименование характеристики Значение
 Условный проход  32 мм
 Гидравлическая схема  54
Электромагнитный пилот Ду 6мм с двумя электромагнитами 
Количество электромагнитов  2
С электромагнитами переменного тока напряжением 220В 

Возврат золотника

Пружинный

Подвод

от независимого потока, слив независимый

Расход рабочей жидкости ном.

500 л/мин

Давление на входе ном.

32 МПа

 

Строение и принцип работы гидрораспределителя 1Р323 АЛ 54

Основные части гидравлического распределителя 1Р323 АЛ 54 В220:

корпус
золотник
крышки
пружины
пилоты

В корпусе расположены 3 вида каналов:

для подключения основных линий Р, Т, А и В
линии управления Х- подвод, Y- слив
дренажная линия L только для трехпозиционных распределителей с гидравлическим центрированием

Каналы выполнены методом литья. 

пилот Ду=6 с двумя электромагнитами пилот Ду=10 с двумя электромагнитами
 

1Р323 АЛ 14 В220

1Р323 АЛ 24 В220

1Р323 АЛ 34 В220

1Р323 АЛ 44 В220

1Р323 АЛ 54 В220

1Р323 АЛ 64 В220

1Р323 АЕ 574 В220

1РН323 К 574 (Колёсико)

1РН323 574 (Колёсико)

1РН323 ФВ 64

 

2Р323 АЛ 14 В220

2Р323 АЛ 24 В220

2Р323 АЛ 34 В220

2Р323 АЛ 44 В220

2Р323 БЛ 44 В220

2Р323 АЛ 54 В220

2Р323 АЛ 64 В220

2Р323 АЕ 574 В220

 

Как продлить работоспособность гидрораспределителя 1Р323 АЛ 54 В220?

Одно из нужных дополнений - фильтры. Если замену фильтров проводить своевременно, не допускать попадания в систему грязи и чужеродных предметов, своевременно менять износившиеся детали, то гидравлические распределители Р323 будут работать долго и надежно.

Цену уточняйте у консультанта онлайн, по электронной почте 82002288@mail.ru или по тел. +7 (351) 200-22-88.

 

Остались вопросы? Напишите нам!

Пожалуйста, заполните поля формы,
чтобы наши специалисты могли
связаться с вами

Оставить заявку
Гидравлическая аппаратура для распределения и управления потоками. Классификация.
Подробнее
Гидрораспределитель. Назначение, основные характеристики. Секционный вид распределителя и его состав.
Подробнее
Масса (без рабочей жидкости) в сравнении: ВЕХ10 не более 3,7кг < ВМР10 не более 3,8кг ВММ10 не более 4кг ВЕ10 не более 6,1кг.
Подробнее
Используя данный сайт, Вы соглашаетесь с условиями пользовательского соглашения и даёте разрешение на использование файлов куки(cookies).